|
云上资料软件
登录
/
注册
免费注册
登录
首页
软件下载
购买
首页
资料软件
(下载)
云上资料软件
(下载)
在线表格
求职招聘
服务平台
那云知道
当前位置:
表格库
>
山西
>
电力电网
>
国家电网有限公司输变电工程施工质量验收统一表式(变电工程土建专业2020)(新)上册
>
1 主、辅控制楼
>
主控楼
>
地基与基础
>
基础工程
>
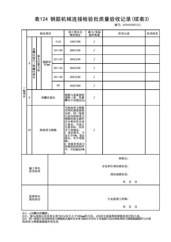
0101010613 设备基础
>
010101061312 钢筋机械连接检验批质量验收记录
上级...
010101061312 钢筋机械连接检验批质量验收记录
表格
下载表格
点击领取首张表格excel
点击查看大图
点击查看大图
点击查看大图
点击查看大图
下载表格
点击领取首张表格excel
×
下载表格
表格名称:010101061312 钢筋机械连接检验批质量验收记录
所需N币:
N币
(我有
)N币)
您的N币不足,请先充值。
充值N币
充值N币
下载
取消
×
分享页面
QQ分享
空间分享
微信分享
微博分享