|
云上资料软件
登录
/
注册
免费注册
登录
首页
软件下载
购买
首页
资料软件
(下载)
云上资料软件
(下载)
在线表格
求职招聘
服务平台
那云知道
当前位置:
表格库
>
山西
>
安全
>
山西省安全资料
>
山西省施工安全管理资料
>
分部(分项)工程安全技术交底
>
上回转塔式起重机安装(加节)验收单
上级...
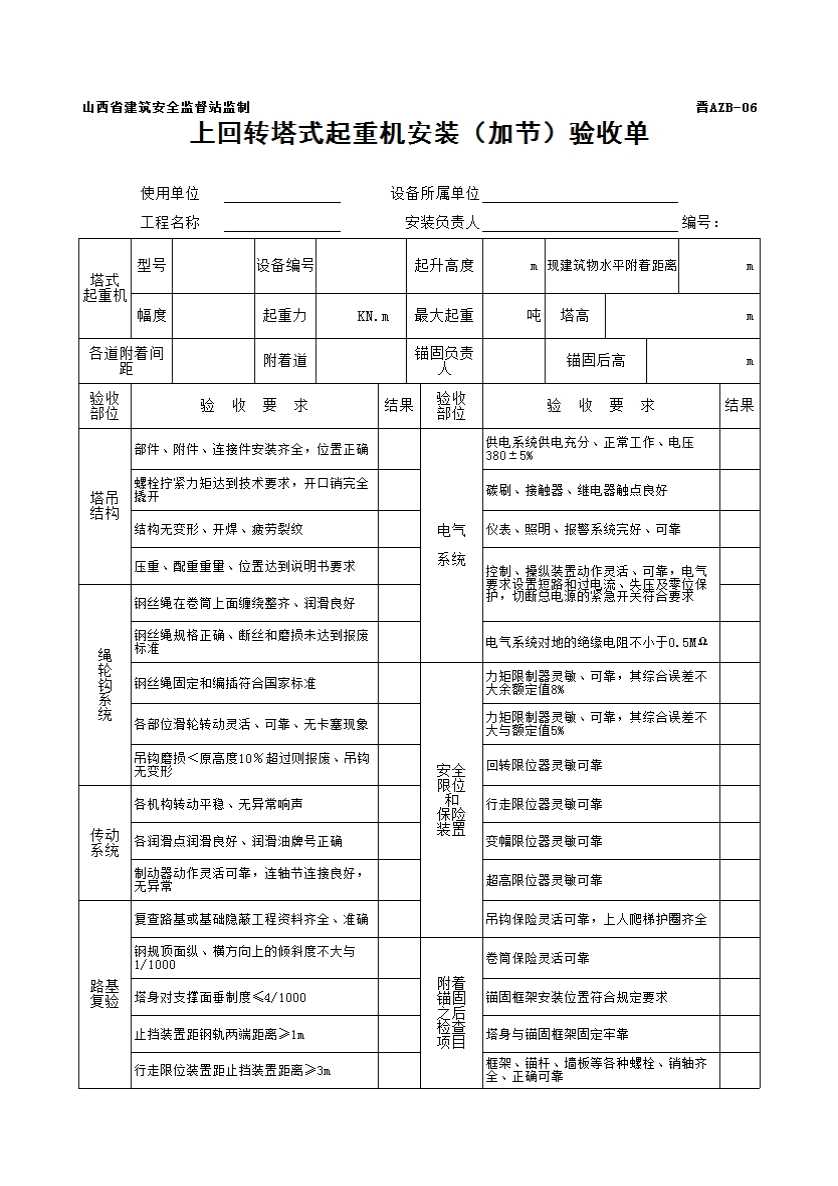
上回转塔式起重机安装(加节)验收单
表格
下载表格
点击领取首张表格excel
点击查看大图
点击查看大图
下载表格
点击领取首张表格excel
×
下载表格
表格名称:上回转塔式起重机安装(加节)验收单
所需N币:
N币
(我有
)N币)
您的N币不足,请先充值。
充值N币
充值N币
下载
取消
×
分享页面
QQ分享
空间分享
微信分享
微博分享