|
云上资料软件
登录
/
注册
免费注册
登录
首页
软件下载
购买
首页
资料软件
(下载)
云上资料软件
(下载)
在线表格
求职招聘
服务平台
那云知道
当前位置:
表格库
>
上海
>
园林
>
园林绿化工程施工及验收规范(CJJ82-2012)
>
绿化工程
>
栽植基础
>
重盐碱、重粘土地土壤改良
>
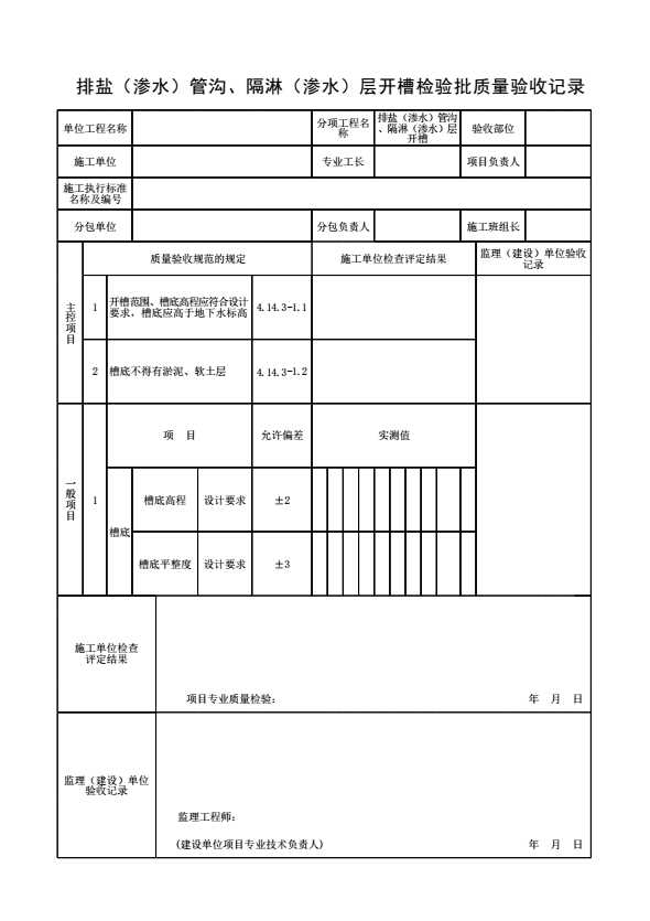
排盐(渗水)管沟、隔淋(渗水)层开槽检验批质量验收记录
上级...
排盐(渗水)管沟、隔淋(渗水)层开槽检验批质量验收记录
表格
下载表格
点击领取首张表格excel
点击查看大图
下载表格
点击领取首张表格excel
×
下载表格
表格名称:排盐(渗水)管沟、隔淋(渗水)层开槽检验批质量验收记录
所需N币:
N币
(我有
)N币)
您的N币不足,请先充值。
充值N币
充值N币
下载
取消
×
分享页面
QQ分享
空间分享
微信分享
微博分享