|
云上资料软件
登录
/
注册
免费注册
登录
首页
软件下载
购买
首页
资料软件
(下载)
云上资料软件
(下载)
在线表格
求职招聘
服务平台
那云知道
当前位置:
表格库
>
上海
>
水利
>
上海《水利工程施工质量检验与评定标准》DGTJ08-90-2014配套用表(推荐使用)
>
第三部分 质量检验评定类用表 ( 2018局部修订)
>
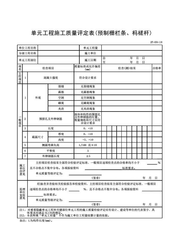
单元工程施工质量评定表(预制栅栏条、杩槎杆)
上级...
单元工程施工质量评定表(预制栅栏条、杩槎杆)
表格
下载表格
点击领取首张表格excel
点击查看大图
下载表格
点击领取首张表格excel
×
下载表格
表格名称:单元工程施工质量评定表(预制栅栏条、杩槎杆)
所需N币:
N币
(我有
)N币)
您的N币不足,请先充值。
充值N币
充值N币
下载
取消
×
分享页面
QQ分享
空间分享
微信分享
微博分享