|
云上资料软件
登录
/
注册
免费注册
登录
首页
软件下载
购买
首页
资料软件
(下载)
云上资料软件
(下载)
在线表格
求职招聘
服务平台
那云知道
当前位置:
表格库
>
山东
>
水运
>
江苏省水运工程质量管理统一用表(2013)版
>
五、工程施工检验监理用表
>
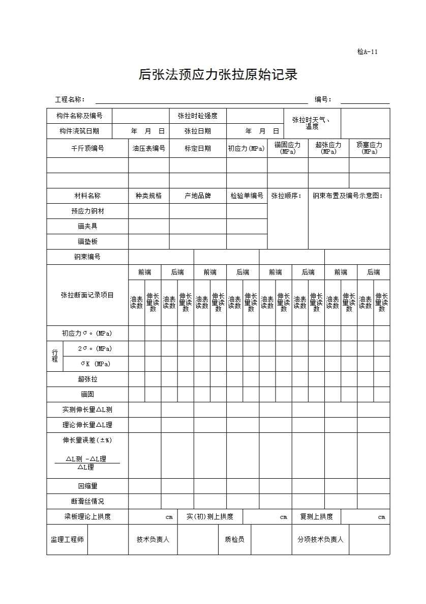
11、(评A-11)后张法预应力张拉原始记录
上级...
11、(评A-11)后张法预应力张拉原始记录
表格
下载表格
点击领取首张表格excel
点击查看大图
下载表格
点击领取首张表格excel
×
下载表格
表格名称:11、(评A-11)后张法预应力张拉原始记录
所需N币:
N币
(我有
)N币)
您的N币不足,请先充值。
充值N币
充值N币
下载
取消
×
分享页面
QQ分享
空间分享
微信分享
微博分享