上级...

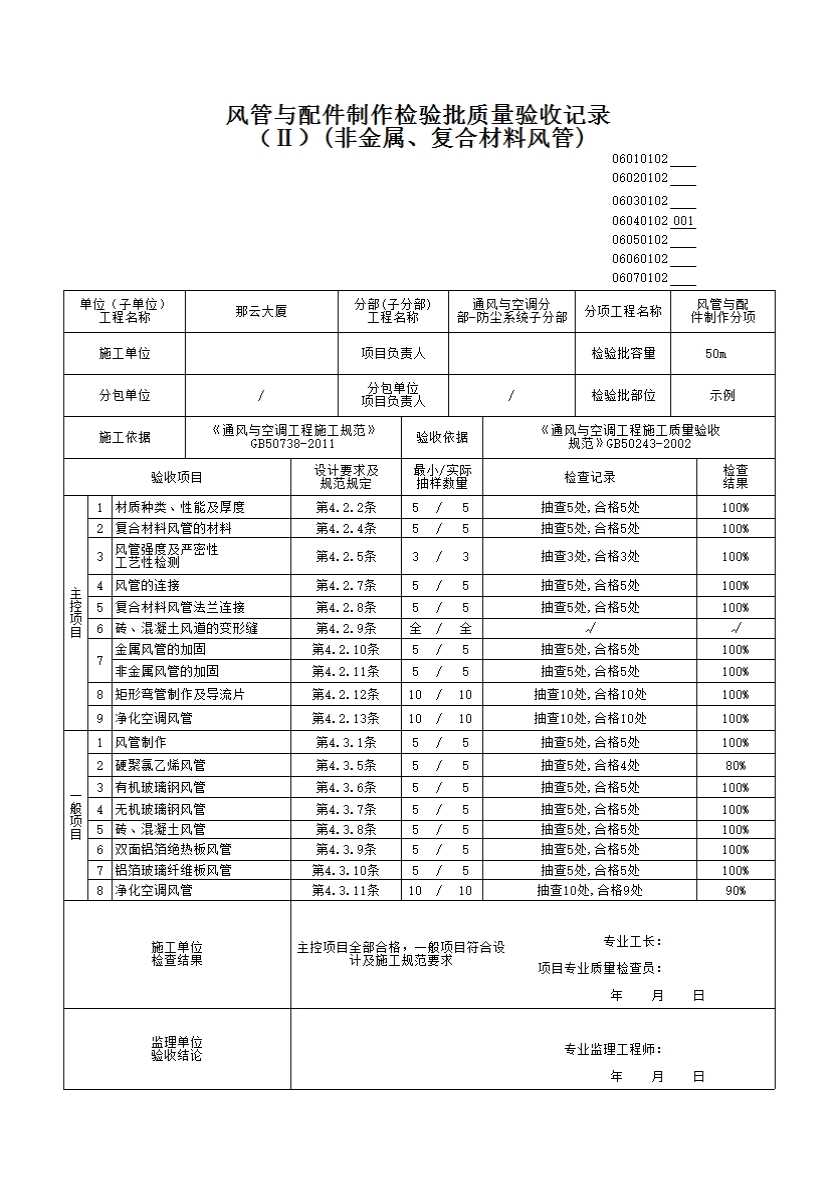
06040102_风管与配件制作检验批质量验收记录(Ⅱ)(非金属、复合材料风管)

填写规范


风管与配件制作检验批质量验收记录(Ⅱ)(非金属、复合材料风管)

一、检验批划分

应按一个设计系统或设备组别划分为一个检验批。

二、主控项目    

4.2.2 非金属风管的材料品种、规格、性能与厚度等应符合设计和现行国家产品标准的规定。当设计无规定时,应按本规范执行。硬聚氯乙烯风管板材的厚度,不得小于表4.2.2-1或表4.2.2-2的规定;有机玻璃钢风管板材的厚度,不得小于表4.2.2-3的规定;无机玻璃钢风管板材的厚度应符合表4.2.2-4的规定,相应的玻璃布层数不应少于表4.2.2-5的规定,其表面不得出现返卤或严重泛霜。用于高压风管系统的非金属风管厚度应按设计规定。

4.2.2-1中、低压系统硬聚氯乙烯圆形风管板材厚度(mm)

风管直径D

板材厚度

D≤320

3.0

320<D≤630

4.0

630<D≤1000

5.0

1000<D≤2000

6.0

4.2.2-2中、低压系统硬聚氯乙烯矩形风管板材厚度(mm)

风管长边尺寸b

板材厚度

b≤320

3.0

320<b≤500

4.0

500<b≤800

5.0

800<b≤1250

6.0

1250<b≤2000

8.0

4.2.2-3中、低压系统有机玻璃钢风管板材厚度(mm)

圆形风管直径D或短形风管长边尺寸b

壁厚

D(b)≤200

2.5

200<D(b)≤400

3.2

400<D(b)≤630

4.0

630<D(b)≤1000

4.8

1000<D(b)≤2000

6.2

4.2.2-4中、低压系统无机玻璃钢风管板材厚度(mm)

圆形风管直径D 或短形风管长边尺寸b

壁厚

D(b)≤300

2.5~3.5

300<D(b)≤500

3.5~4.5

500<D(b)≤1000

4.5~5.5

1000<D(b)≤1500

5.5~6.5

1500<D(b)≤2000

6.5~7.5

D(b)>2000

7.5~8.5

4.2.2-5中、低压系统无机玻璃钢风管玻璃纤维布厚度与层数(mm)

圆形风管直径D

或矩形风管长边b

风管管体玻璃纤维布厚度

风管法兰玻璃纤维布厚度

0.3

0.4

0.3

0.4

玻璃布层数

D(b)≤300

5

4

8

7

300<D(b)≤500

7

5

10

8

500<D(b)≤1000

8

6

13

9

1000<D(b)≤1500

9

7

14

10

1500<D(b)≤2000

12

8

16

14

D(b)>2000

14

9

20

16

检查数量:按材料与风管加工批数量抽查10%,不得少于5件。

4.2.4 复合材料风管的覆面材料必须为不燃材料,内部的绝热材料应为不燃或难燃B1级,且对人体无害的材料。

检查数量:按材料与风管加工批数量抽查10%,不应少于5件。

检查方法:查验材料质量合格证明文件、性能检测报告,观察检查与点燃试验。

4.2.5 风管必须通过工艺性的检测或验证,其强度和严密性要求应符合设计或下列规定:

1 风管的强度应能满足在1.5倍工作压力下接缝处无开裂;

2 矩形风管的允许漏风量应符合以下规定:

低压系统风管QL ≤0.1056P0.65

中压系统风管QM ≤0.0352P0.65

高压系统风管QH ≤0.0117P0.65

式中QL、QM、QH—系统风管在相应工作压力下,单位面积风管单位时间内的允许

漏风量[m3/(h·m2)];

P—指风管系统的工作压力(Pa)。

3 低压、中压圆形金属风管、复合材料风管以及采用非法兰形式的非金属风管

的允许漏风量,应为矩形风管规定值的50%;

4 砖、混凝土风道的允许漏风量不应大于矩形低压系统风管规定值的1.5倍;

5 排烟、除尘、低温送风系统按中压系统风管的规定,1~5级净化空调系统按高压系统风管的规定。

检查数量:按风管系统的类别和材质分别抽查,不得少于3件及15m2。

检查方法:检查产品合格证明文件和测试报告,或进行风管强度和漏风量测试(见本规范附录A)。

4.2.7非金属(硬聚氯乙烯、有机、无机玻璃钢)风管的连接还应符合下列规定:

1 法兰的规格应分别符合表4.2.7-1、4.2.7-2、4.2.7-3 的规定,其螺栓孔的间距不得大于120mm;矩形风管法兰的四角处,应设有螺孔;

4.2.7-1硬聚氯乙烯圆形风管法兰规格(mm)

风管直径D

材料规格(宽×厚)

连接螺栓

风管直径D

材料规格(宽×厚)

连接螺栓

D≤180

35×6

M6

800<D≤1400

45×12

M10

180<D≤400

35×8

M8

1400<D≤1600

50×15

400<D≤500

35×10

1600<D≤2000

60×15

500<D≤800

40×10

D>2000

按设计

4.2.7-2硬聚氯乙烯矩形风管法兰规格(mm)

风管边长b

材料规格(宽×厚)

连接螺栓

风管边长b

材料规格(宽×厚)

连接螺栓

b≤160

35×6

M6

800<b≤1250

45×12

M10

160<b≤400

35×8

M8

1250<b≤1600

50×15

400<b≤500

35×10

1600<b≤2000

60×18

500<b≤800

40×10

M10

b>2000

按设计

4.2.7-3有机玻璃钢风管法兰规格(mm)

风管直径D或风管边长b

材料规格(宽×厚)

连接螺栓

D(b)≤400

30×4

M8

400<D(b)≤1000

40×6

1000<D(b)≤2000

50×8

M10

2 采用套管连接时,套管厚度不得小于风管板材厚度。

检查数量:按加工批数量抽查5%,不得少于5件。

检查方法:尺量、观察检查。

4.2.9 砖、混凝土风道的变形缝,应符合设计要求,不应渗水和漏风。检查数量:全数检查。检查方法:观察检查。

4.2.10 金属风管的加固应符合下列规定:

1 圆形风管(不包括螺旋风管)直径大于等于800mm,且其管段长度大于1250mm或总表面积大于4m2均应采取加固措施;

2 矩形风管边长大于630mm、保温风管边长大于800mm,管段长度大于1250mm或低压风管单边平面积大于1.2m2、中、高压风管大于1.0m2,均应采取加固措施;

3 非规则椭圆风管的加固,应参照矩形风管执行。

检查数量:按加工批抽查5%,不得少于5件。检查方法:尺量、观察检查。

4.2.11 非金属风管的加固,除应符合本规范第4.2.10条的规定外还应符合下列规定:

1 硬聚氯乙烯风管的直径或边长大于500mm时,其风管与法兰的连接处应设加强板,且间距不得大于450mm;

2 有机及无机玻璃钢风管的加固,应为本体材料或防腐性能相同的材料,并与风管成一整体。

检查数量:按加工批抽查5%,不得少于5件。检查方法:尺量、观察检查。

4.2.12 矩形风管弯管的制作,一般应采用曲率半径为一个平面边长的内外同心弧形弯管。当采用其他形式的弯管,平面边长大于500mm 时,必须设置弯管导流片。

检查数量:其他形式的弯管抽查20%,不得少于2件。检查方法:观察检查。

4.2.13 净化空调系统风管还应符合下列规定:

1 矩形风管边长小于或等于900mm 时,底面板不应有拼接缝;大于900mm时,不应有横向拼接缝;

2 风管所用的螺栓、螺母、垫圈和铆钉均应采用与管材性能相匹配、不会产生电化学腐蚀的材料,或采取镀锌或其他防腐措施,并不得采用抽芯铆钉;

3 不应在风管内设加固框及加固筋,风管无法兰连接不得使用S形插条、直角形插条及立联合角形插条等形式;

4 空气洁净度等级为1~5级的净化空调系统风管不得采用按扣式咬口;

5 风管的清洗不得用对人体和材质有危害的清洁剂;

6 镀锌钢板风管不得有镀锌层严重损坏的现象,如表层大面积白花、锌层粉化等。

检查数量:按风管数抽查20%,每个系统不得少于5个。

检查方法:查阅材料质量合格证明文件和观察检查,白绸布擦拭。

三、一般项目

4.3.1金属风管的制作应符合下列规定:

1 圆形弯管的曲率半径(以中心线计)和最少分节数量应符合表4.3.1-1的规定。

圆形弯管的弯曲角度及圆形三通、四通支管与总管夹角的制作偏差不应大于3°;

4.3.1-1圆形弯管曲率半径和最少节数

弯管直径

D(mm)

曲率半径

R

弯管角度和最少节数

90°

60°

45°

30°

中节

端节

中节

端节

中节

端节

中节

端节

80~220

≥1.5D

2

2

1

2

1

2

2

220~450

D~1.5D

3

2

2

2

1

2

2

450~800

D~1.5D

4

2

2

2

1

2

1

2

800~1400

D

5

2

3

2

2

2

1

2

1400~2000

D

8

2

5

2

3

2

2

2

2 风管与配件的咬口缝应紧密、宽度应一致;折角应平直,圆弧应均匀;两端面平行。风管无明显扭曲与翘角;表面应平整,凹凸不大于10mm;

3 风管外径或外边长的允许偏差:当小于或等于300mm时,为2mm;当大于300mm时,为3mm。管口平面度的允许偏差为2mm,矩形风管两条对角线长度之差不应大于3mm;圆形法兰任意正交两直径之差不应大于2mm;

4 焊接风管的焊缝应平整,不应有裂缝、凸瘤、穿透的夹渣、气孔及其他缺陷等,焊接后板材的变形应矫正,并将焊渣及飞溅物清除干净。

检查数量:通风与空调工程按制作数量10%抽查,不得少于5件;净化空调工程按制作数量抽查20%,不得少于5件。

检查方法:查验测试记录,进行装配试验,尺量、观察检查。

4.3.5 硬聚氯乙烯风管除应执行本规范第4.3.1 条第1、3款和第4.3.2 条第1款外,还应符合下列规定:

1 风管的两端面平行,无明显扭曲,外径或外边长的允许偏差为2mm表面平整、圆弧均匀,凹凸不应大于5mm

2 焊缝的坡口形式和角度 应符合表4.3.5 的规定;


 3 焊缝应饱满,焊条排列应整齐,无焦黄、断裂现象;

 4用于洁净室时,还应按本规范第4.3.11 条的有关规定执行。

检查数量:按风管总数抽查10%,法兰数抽查5%,不得少于5件。

检查方法:尺量、观察检查。

4.3.6 有机玻璃钢风管除应执行本规范第4.3.1 条第1~3款和第4.3.2条第1款外,还应符合下列规定:

1 风管不应有明显扭曲、内表面应平整光滑,外表面应整齐美观,厚度应均匀,且边缘无毛刺,并无气泡及分层现象;

2 风管的外径或外边长尺寸的允许偏差为3mm,圆形风管的任意正交两直径之差不应大于5mm矩形风管的两对角线之差不应大于5mm;

3 法兰应与风管成一整体,并应有过渡圆弧,并与风管轴线成直角,管口平面度的允许偏差为3mm;螺孔的排列应均匀,至管壁的距离应一致,允许偏差为2mm;

4 矩形风管的边长大于900mm, 且管段长度大于1250mm时,应加固。加固筋的分布应均匀、整齐。

检查数量:按风管总数抽查10%,法兰数抽查5%,不得少于5件。

检查方法:尺量、观察检查。

4.3.7 无机 玻璃钢风管除应执行本规范第4.3.1条第1~3款和第4.3.2条第1款外,还应符合下列规定:

1 风管的表面应光洁、无裂纹、无明显泛霜和分层现象;

2 风管的外形尺寸的允许偏差应符合表4.3.7的规定;

3风管法兰的规定与有机玻璃钢法兰相同。

检查数量:按风管总数抽查10%,法兰数抽查5%,不得少于5件。

检查方法:尺量、观察检查。

4.3.7  无机玻璃钢风管外形尺寸(mm)

直径或大边长

矩形风管外表平面度

矩形风管管口对角线之差

法兰平面度

圆形风管两直径之差

≤300

≤3

≤3

≤2

≤3

301~500

≤3

≤4

≤2

≤3

501~1000

≤4

≤5

≤2

≤4

1001~1500

≤4

≤6

≤3

≤5

1501~2000

≤5

≤7

≤3

≤5

>2000

≤6

≤8

≤3

≤5

4.3.8 砖、混凝土风道内表面水泥砂浆应抹平整、无裂缝,不渗水。
检查数量:按风道总数抽查10%,不得少于一段。

检查方法:观察检查。
4.3.9 双面铝箔绝热 板风管除应执行本规范第4.3.1条第2、3款和第4.3.2条第2款外,还应符合下列规定:
1 板材拼接宜采用专用的连接构件,连接后板面平面度的允许偏差为5mm2风管的折角应平直,拼缝粘接应牢固、平整,风管的粘结材料宜为难燃材料

3风管采用法兰连接时,其连接应牢固,法兰平面度的允许偏差为2mm

4风管的加固,应根据系统I作压力及产品技术标准的规定执行。

检查数量:按风管总数抽查10%,法兰数抽查5%,不得少于5件。

检查方法:尺量、观察检查。
4.3.10 铝箔玻璃纤维板风管除应执行本规范第4.3.1条第2、3款和第4.3.2条第2款外,还应符合下列规定:
1 风管的离心玻璃纤维板材应干燥、平整;板外表面的铝箔隔气保护层应与内芯玻璃纤维材料粘合牢固;内表面应有防纤维脱落的保护层,并应对人体无危害。
2 当风管连接采用插入接口形式时,接缝处的粘接应严密、牢固,外表面铝箔胶带密封的每一边粘贴宽度不应小于25mm,并应有辅助的连接固定措施。当风管的连接采用法兰形式时,法兰与风管的连接应牢固,并应能防止板材纤维逸出和冷桥。
3 风管表面应平整、两端面平行,无明显凹穴、变形、起泡,铝箔无破损等。

4 风管的加固,应根据系统工作压力及产品技术标准的规定执行。

检查数量:按风管总数抽查10%,不得少于5件。

检查方法:尺量、观察检查。
4.3.11 净化空调系统风管还应符合以下规定:
1现场应保持清洁,存放时应避免积尘和受潮。风管的咬口缝、折边和铆接等处有损坏时,应做防腐处理
2 风管法兰铆钉孔的间距,当系统洁净度的等级为1~5级时,不应大于65mm;为6~9级时,不应大于100mm
3 静压箱本体、箱内固定高效过滤器的框架及固定件应做镀锌、镀镍等防腐处理;
4 制作完成的风管,应进行第二次清洗,经检查达到清洁要求后应及时封口。

检查数量:按风管总数抽查20%,法兰数抽查10%,不得少于5件。

检查方法:观察检查,查阅风管清洗记录,用白绸布擦拭。

示例