|
云上资料软件
登录
/
注册
免费注册
登录
首页
软件下载
购买
首页
资料软件
(下载)
云上资料软件
(下载)
在线表格
求职招聘
服务平台
那云知道
当前位置:
表格库
>
山东
>
安全
>
安全施工资料
>
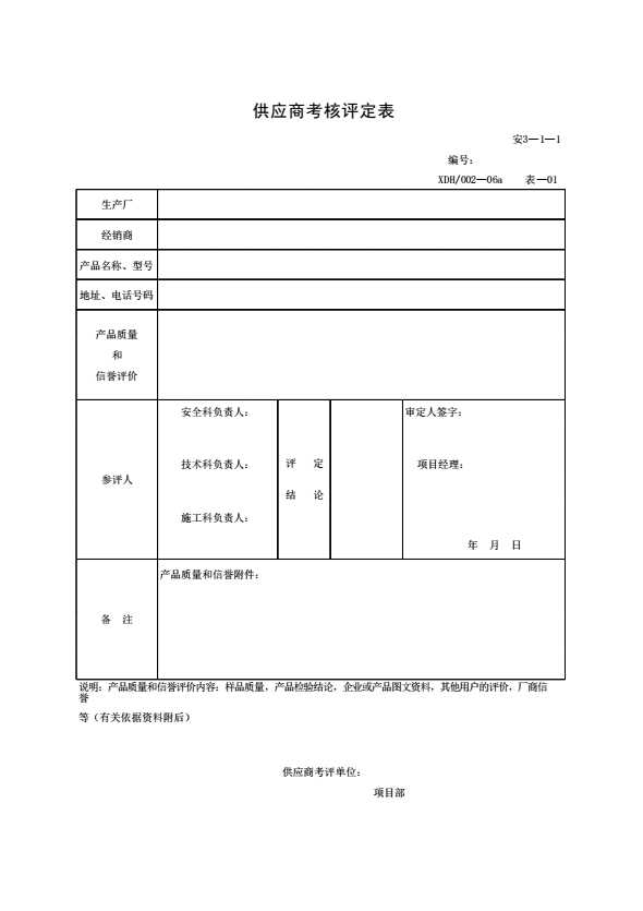
第三卷安全设施所需的材料、设备及安全防护用品采购管理台账
>
供应商考核评定表 安3—1—110
上级...
供应商考核评定表 安3—1—110
表格
下载表格
点击领取首张表格excel
点击查看大图
下载表格
点击领取首张表格excel
×
下载表格
表格名称:供应商考核评定表 安3—1—110
所需N币:
N币
(我有
)N币)
您的N币不足,请先充值。
充值N币
充值N币
下载
取消
×
分享页面
QQ分享
空间分享
微信分享
微博分享