上级...

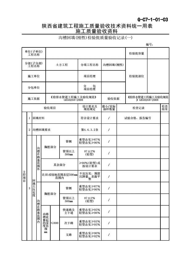
G-C7-1-01-03_沟槽回填(刚性)检验批质量验收记录

填写规范


4.6.3沟槽回填应符合下列规定:

一、主控项目

    1 回填材料符合设计要求;
    检查方法:观察;按国家有关规范的规定和设计要求进行检查,检查检测报告。
    检查数量:条件相同的回填材料,每铺筑1000m2,应取样一次,每次取样至少应做两组测试;回填材料条件变化或来源变化时,应分别取样检测。
    2 沟槽不得带水回填,回填应密实;
    检查方法:观察,检查施工记录。
    3 柔性管道的变形率不得超过设计要求或本规范第4.5.12 条的规定,管壁不得出现纵向隆起、环向扁平和其他变形情况;
    检查方法:观察,方便时用钢尺直接量测,不方便时用圆度测试板或芯轴仪在管内拖拉量测管道变形率;检查记录,检查技术处理资料;
    检查数量:试验段(或初始50m)不少于3处,每100m正常作业段(取起点、中间点、终点近处各一点),每处平行测量3个断面,取其平均值。
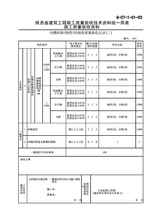
    4 回填土压实度应符合设计要求,设计无要求时,应符合表4.6.3—1、表4.6.3—2的规定。柔性管道沟槽回填部位与压实度见图4.6.3。

二、一般项目

    5 回填应达到设计高程,表面应平整;
    检查方法:观察,有疑问处用水准仪测量。
    6 回填时管道及附属构筑物无损伤、沉降、位移:
    检查方法:观察,有疑问处用水准仪测量。

4.6.3-1刚性管道沟槽回填土压实度

序号

项目

压实度(%)

检查数量

检查方法

重型击实标准

轻型击实标准

范围

点数

1

石灰土类垫层

93

95

100m

每层

每侧

(每

组3

点)

用环刀法检查或采用现行国家标准《土工试验方法标准》GB/T 50123

中其他方法

2

沟槽

在路

基范

围外

胸腔

部分

管侧

87

90

两井

之间

或1000m2

管顶以上500mm

87±2(轻型)

其余部分

≥90(轻型)或按设计要求

农田或绿地范围表层500mm范围内

不宜压实,预留沉降量、表面整平

续表4.6.3-1

序号

项目

压实度(%)

检查数量

检查方法

重型击实标准

轻型击实标准

范围

点数

3

沟槽

在路

基范

围内

胸腔部分

管侧

87

90

两井

之间

或1000m2

每层

每侧

(每

组3

点)

用环刀法检查或采用现行国家标准《土工试验方法标准》GB/T 50123

中其他方法

管顶以上500mm

87±2(轻型)

由路

槽底

算起

的深

度范

( mm)

≤800

快速路及主干路

95

98

次干路

93

95

支路

90

92

>800~

1500

快速路及主干路

93

95

次干路

90

92

支路

87

90

>1500

快速路及主干路

87

90

次干路

87

90

支路

87

90

:表中重型击实标准的压实度和轻型击实标准的压实度。分别以相应的标准击

实试验法求得的最大千密度为100%。

4.6.3-2柔性管道沟槽回填土压实度

槽内部位

压实度(%)

回填材料

检查数量

检查方法

范围

点数

管道基础

管底基础

≥90

中、粗砂

-

-

用环刀法检查或采用现行国家标准《土工试验方法标准》GB/T 50123

中其他方法

管道有效支

撑角范围

≥95

每100m

每层每侧(每组3点)

管道两侧

≥95

中、粗砂、碎

石屑,最大粒径小于40nm的砂砾或符合要求的原土

两井

之间

或1000m2

管顶

以上

500mm

管道两侧

≥90

管道上部

85±2

管顶500~1000mm

≥90

原土回填

:回填土的压实度。除设计要求用重型击实标准外,其他皆以轻型击实标准试验获得最大千密度为100%。           

示例