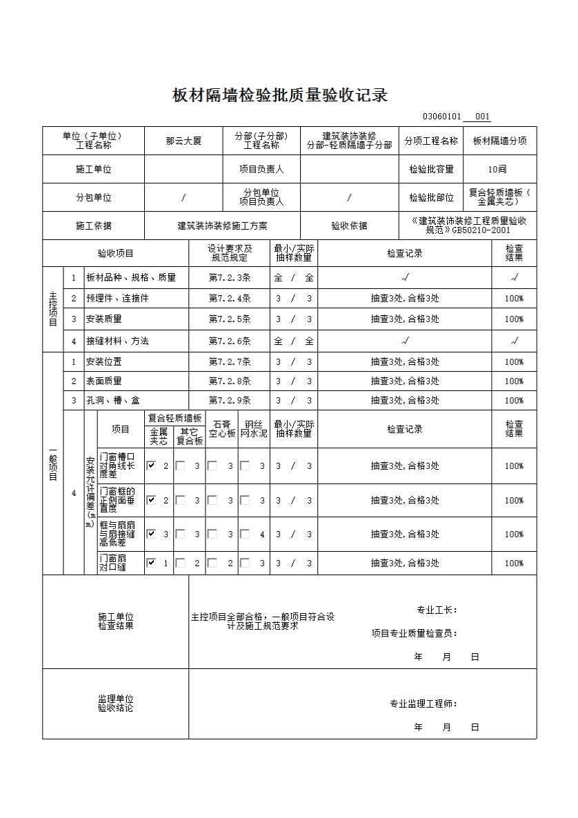
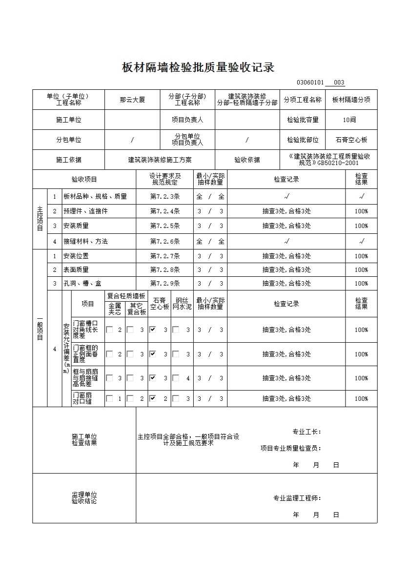
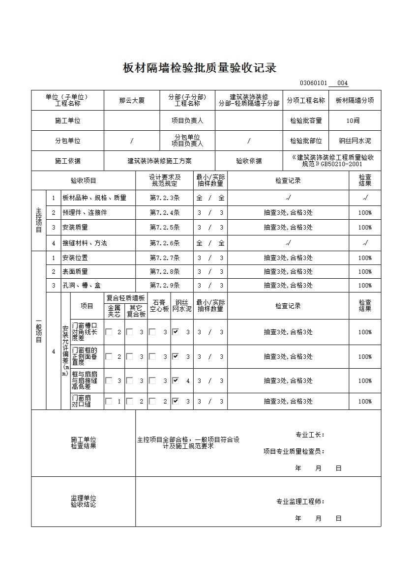
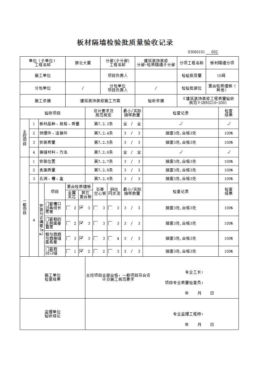
板材隔墙检验批质量验收记录
本节适用于板材隔墙、骨架隔墙、活动隔墙、玻璃隔墙等分项工程的质量验收。
一、检验批划分
同一品种的轻质隔墙工程每50间(大面积房间和走廊按轻质隔墙的墙面每30㎡为一间)应划分为一个检验批,不足50间也应划分为一个检验批。
二、主控项目
7.2.3 隔墙板材的品种规格性能颜色应符合设计要求有隔声隔热阻燃防潮等特殊要求的工程板材应有相应性能等级的检测报告。
检验方法:观察检查产品合格证书进场验收记录和性能检测报告。
7.2.4 安装隔墙板材所需预埋件连接件的位置数量及连接方法应符合设计要求。
检验方法:观察尺量检查检查隐蔽工程验收记录。
7.2.5 隔墙板材安装必须牢固现制钢丝网水泥隔墙与周边墙体的连接方法应符合设计要求并应连接牢固。
检验方法:观察手扳检查。
7.2.6 隔墙板材所用接缝材料的品种及接缝方法应符合设计要求。
检验方法:观察检查产品合格证书和施工记录。
三、一般项目
7.2.7 隔墙板材安装应垂直平整位置正确板材不应有裂缝或缺损。
检验方法:观察尺量检查。
7.2.8 板材隔墙表面应平整光滑色泽一致洁净接缝应均匀顺直。
检验方法:观察手摸检查。
7.2.9 隔墙上的孔洞槽盒应位置正确套割方正边缘整齐。
检验方法:观察。
7.2.10 板材隔墙安装的允许偏差和检验方法应符合表7.2.10 的规定。
表7.2.10 板材隔墙安装的允许偏差和检验方法
|
项次 |
项目 |
允许偏差(mm) |
检验方法 |
|||
|
复合轻质墙板 |
石膏空心板 |
钢丝网水泥板 |
||||
|
金属夹芯板 |
其他复合板 |
|||||
|
1 |
立面垂直度 |
2 |
3 |
3 |
3 |
用2m垂直检测尺检查 |
|
2 |
表面平整度 |
2 |
3 |
3 |
3 |
用2m靠尺和塞尺检查 |
|
3 |
阴阳角方正 |
3 |
3 |
3 |
4 |
用直角检测尺检查 |
|
4 |
接缝高低差 |
1 |
2 |
2 |
3 |
用钢直尺和塞尺检查 |