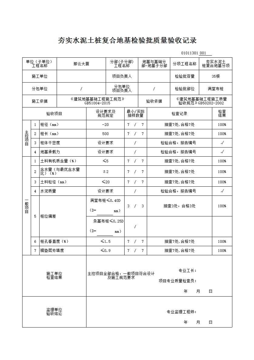
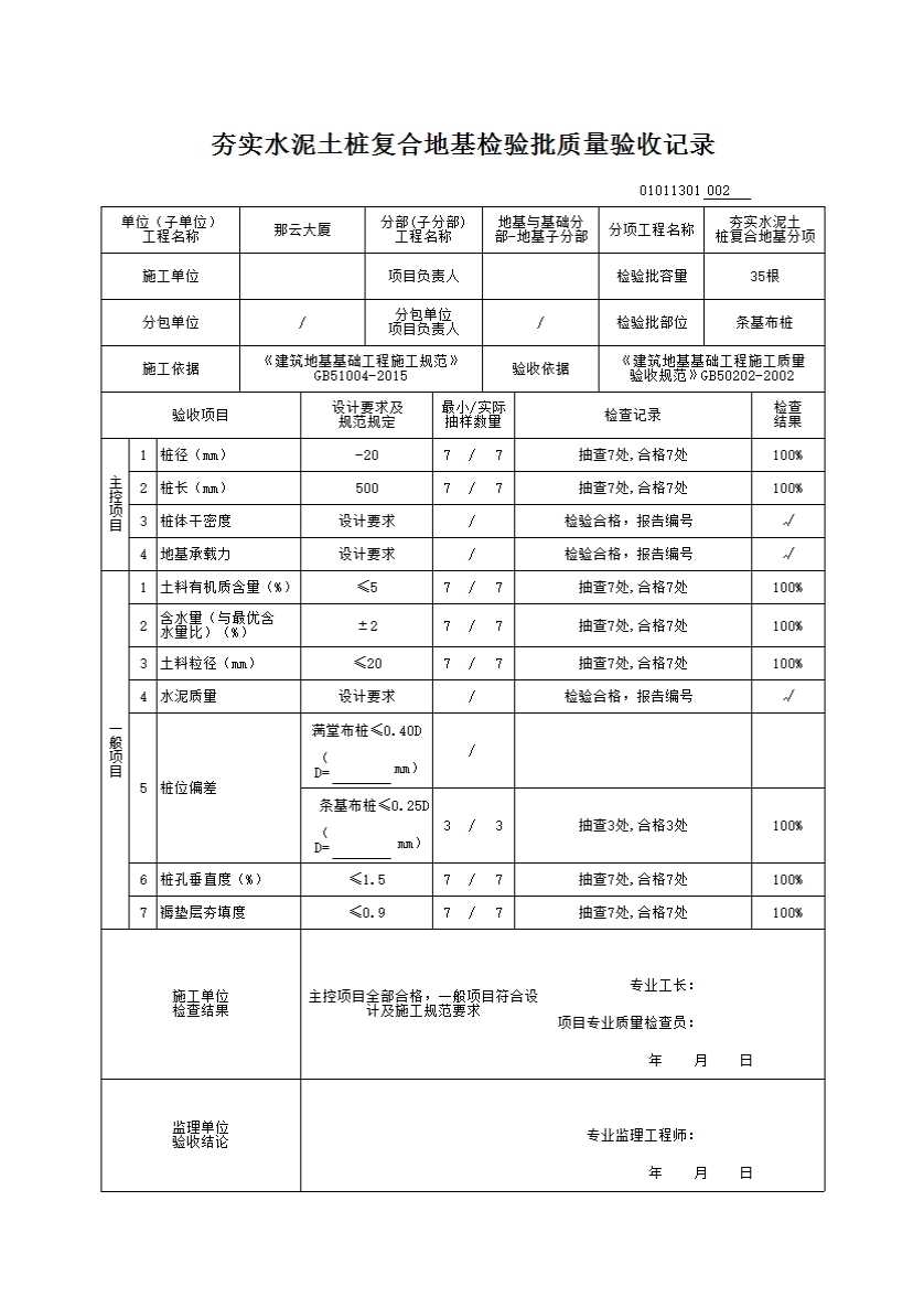
夯实水泥土桩复合地基检验批质量验收记录
一、检验批划分
按施工段、变形缝划分;对于工程量较少的分项工程可统一划分为一个验收批。
二、主控项目、一般项目
4.14.1 水泥及夯实用土料的质量应符合设计要求。
4.14.2 施工中应检查孔位、孔深、孔径、水泥和土的配比、混合料含水量等。
4.14.3 施工结束后,应对桩体质量及复合地基承载力做检验,褥垫层应检查其夯填度。
4.14.4 夯实水泥土桩的质量检验标准应符合表4.14.4的规定。
4.14.5 夯扩桩的质量检验标准可按本节执行。
表4.14.4夯实水泥土桩复合地基质量检验标准
|
项 |
序 |
检查项目 |
允许偏差或允许值 |
检查方法 |
|
|
单位 |
数值 |
||||
|
主 控 项 目 |
1 |
桩径 |
mm |
-20 |
用钢尺量 |
|
2 |
桩长 |
mm |
+500 |
测桩孔深度 |
|
|
3 |
桩体干密度 |
设计要求 |
现场取样检查 |
||
|
4 |
地基承载力 |
设计要求 |
按规定的方法 |
||
|
一 般 项 目 |
1 |
土料有机质含量 |
% |
≤5 |
焙烧法 |
|
2 |
含水量(与最优含水量比) |
% |
±2 |
烘干法 |
|
|
3 |
土料粒径 |
mm |
≤20 |
筛分法 |
|
|
4 |
水泥质量 |
设计要求 |
查产品质量合格证书或抽样送检 |
||
|
5 |
桩位偏差 |
|
满堂布桩≤0.04D条基布桩≤0.25D |
用钢尺量,D为桩径 |
|
|
6 |
桩孔垂直度 |
% |
≤1.5 |
用经纬仪测桩管 |
|
|
7 |
褥垫层夯填度 |
≤0.9 |
用钢尺量 |
||