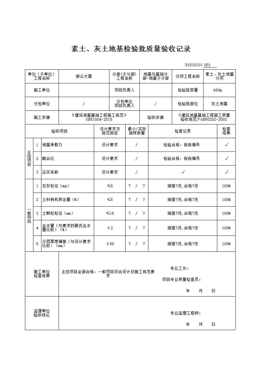
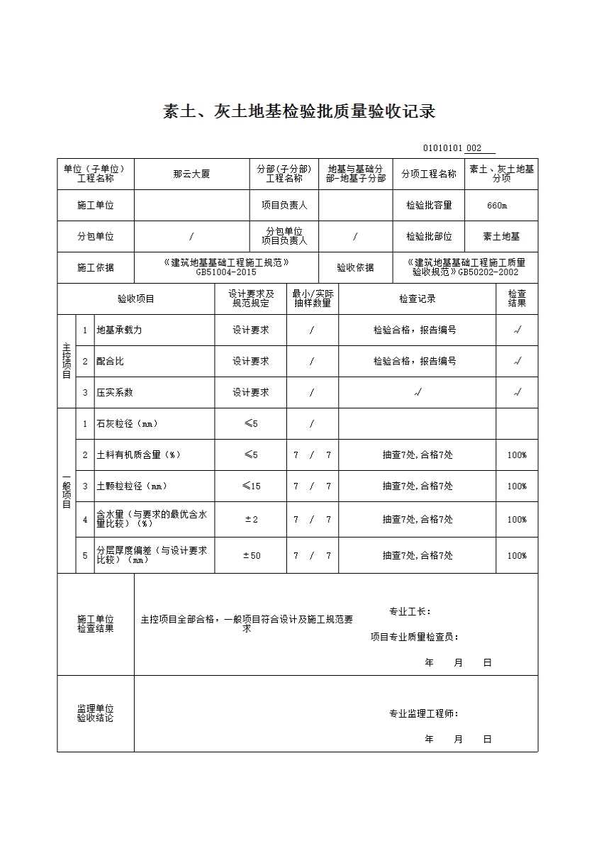
素土、灰土地基检验批质量验收记录
本表试用于素土、灰土地基工程的检验批质量验收记录。
一、检验批划分
检验批的划分按施工段、单元及系统划分,对于分项工程可统一划分为一个检验批。
二、主控项目、一般项目
4.2.1 灰土土料、石灰或水泥(当水泥替代灰土中的石灰时)等材料及配合比应符合设计要求,灰土应搅拌均匀。
4.2.2 施工过程中应检查分层铺设的厚度、分段施工时上下两层的搭接长度、夯实时加水量、夯压遍数、压实系数。
4.2.3 施工结束后,应检验灰土地基的承载力。
4.2.4 灰土地基的质量验收标准应符合表4.2.4的规定。
表4.2.4灰土地基质量检验标准
|
项 |
序 |
检查项目 |
允许偏差或允许值 |
检查方法 |
|
|
单位 |
数值 |
||||
|
主 控 项 目 |
1 |
地基承载力 |
设计要求 |
按规定方法 |
|
|
2 |
配合比 |
设计要求 |
按拌和时的体积比 |
||
|
3 |
压实系数 |
设计要求 |
现场实测 |
||
|
一 般 项 目 |
1 |
石灰粒径 |
mm |
≤5 |
筛选法 |
|
2 |
土料有机质含量 |
% |
≤5 |
试验室焙烧法 |
|
|
3 |
土颗粒粒径 |
mm |
≤5 |
筛分法 |
|
|
4 |
含水量(与要求的最优含水量比较) |
m% |
±2 |
烘干法 |
|
|
5 |
分层厚度偏差(与设计要求比较) |
mm |
±50 |
水准仪 |
|