|
云上资料软件
登录
/
注册
免费注册
登录
首页
软件下载
购买
首页
资料软件
(下载)
云上资料软件
(下载)
在线表格
求职招聘
服务平台
那云知道
当前位置:
表格库
>
青海
>
市政
>
国标市政
>
市政工程施工质量验收标准与通用表格对照应用手册
>
第九章 城市道路照明工程施工及验收基本要求和用表
>
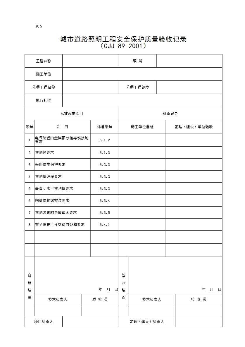
9.5 城市道路照明工程安全保护质量验收记录
上级...
9.5 城市道路照明工程安全保护质量验收记录
表格
下载表格
点击领取首张表格excel
点击查看大图
下载表格
点击领取首张表格excel
×
下载表格
表格名称:9.5 城市道路照明工程安全保护质量验收记录
所需N币:
N币
(我有
)N币)
您的N币不足,请先充值。
充值N币
充值N币
下载
取消
×
分享页面
QQ分享
空间分享
微信分享
微博分享