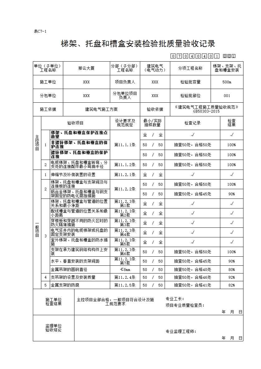
梯架、托盘和槽盒安装检验批质量验收记录
一、检验批划分:按施工段、变形缝划分;对于工程量较少的分项工程可统一划分为一个验收批。
11.1 主控项目
11.1.1 金属梯架、托盘或槽盒本体之间的连接应牢固可靠,与保护导体的连接应符合下列规定:
1 梯架、托盘和槽盒全长不大于30m时,不应少于2处与保护导体可靠连接;全长大于30m时,每隔20m--30m应增加一个连接点,起始端和终点端均应可靠接地。
2 非镀锌梯架、托盘和槽盒本体之间连接板的两端应跨接保护联结导体,保护联结导体的截面积应符合设计要求。
3 镀锌梯架、托盘和槽盒本体之间不跨接保护联结导体时,连接板每端不应少于2个有防松螺帽或防松垫圈的连接固定螺栓。
检查数量:第1款全数检查,第2款和第3款按每个检验批的梯架或托盘或槽盒的连接点数量各抽查1000,且各不得少于2个点。
检查方法:观察检查并用尺量检查。
11.1.2 电缆梯架、托盘和槽盒转弯、分支处宜采用专用连接配件,其弯曲半径不应小于梯架、托盘和槽盒内电缆最小允许弯曲半径,电缆最小允许弯曲半径应符合表11. 1. 2的规定。
表11.1.2 电缆最小允许弯曲半径
|
电缆形式 |
电缆外径(mm) |
多芯 电缆 |
单芯 电缆 |
|
|
塑料绝缘电缆 |
无铠装 |
---- |
15D |
20D |
|
有铠装 |
12D |
15D |
||
|
橡皮绝缘电缆 |
10D |
|||
|
控制电缆 |
非铠装型、屏蔽型软电缆 |
6D |
---- |
|
|
铠装型、钢屏蔽型 |
12D |
|||
|
其他 |
10D |
|||
续表11.1.2
|
电缆形式 |
电缆外径(mm) |
多芯 电缆 |
单芯 电缆 |
|
铝合金导体电力电缆 |
--- |
7D |
|
|
氧化镁绝缘刚性矿物绝缘电缆 |
<7 |
2D |
|
|
≥7,且<12 |
3D |
||
|
≥12,且<15 |
4D |
||
|
≥15 |
6D |
||
|
其他矿物绝缘电缆 |
-- |
15D |
|
注:D为电缆外径。
检查数量:按每个检验批的梯架、托盘或槽盒的弯头数量各抽查10%,且各不得少于1个弯头。
检查方法:观察检查并用尺量检查。
11.2 一般项目
11.2.1 当直线段钢制或塑料梯架、托盘和槽盒长度超过30m,铝合金或玻璃钢制梯架、托盘和槽盒长度超过15m时,应设置伸缩节;当梯架、托盘和槽盒跨越建筑物变形缝处时,应设置补偿装置。
检查数量:全数检查。
检查方法:观察检查并用尺量检查。
11.2.2 梯架、托盘和槽盒与支架间及与连接板的固定螺栓应紧固无遗漏,螺母应位于梯架、托盘和槽盒外侧;当铝合金梯架、托盘和槽盒与钢支架固定时,应有相互间绝缘的防电化腐蚀措施。
检查数量:按每个检验批的梯架或托盘或槽盒的固定点数量各抽查10%,且各不得少于2个点。
检查方法:观察检查。
11.2.3 当设计无要求时,梯架、托盘、槽盒及支架安装应符合下列规定:
1 电缆梯架、托盘和槽盒宜敷设在易燃易爆气体管道和热力管道的下方,与各类管道的最小净距应符合本规范附录F的规定。
2 配线槽盒与水管同侧上下敷设时,宜安装在水管的上方;与热水管、蒸气管平行上下敷设时,应敷设在热水管、蒸气管的下方,当有困难时,可敷设在热水管、蒸气管的上方;相互间的最小距离宜符合本规范附录G的规定。
3 敷设在电气竖井内穿楼板处和穿越不同防火区的梯架、托盘和槽盒,应有防火隔堵措施。
4 敷设在电气竖井内的电缆梯架或托盘,其固定支架不应安装在固定电缆的横担上,且每隔3层~5层应设置承重支架。
5 对于敷设在室外的梯架、托盘和槽盒,当进入室内或配电箱(柜)时应有防雨水措施,槽盒底部应有泄水孔。
6 承力建筑钢结构构件上不得熔焊支架,且不得热加工开孔。
7 水平安装的支架间距宜为1.5 m ~ 3.0m,垂直安装的支架间距不应大于2m。
8 采用金属吊架固定时,圆钢宜径不得小于8 mm,并应有防晃支架,在分支处或端部0.3m~0.5m处应有固定支架。
检查数量:第1款~第5款全数检查,其余按每个检验批的支架总数抽查10%,且各不得少于1处并应覆盖支架的安装形式。
检查方法:观察检查并用尺量和卡尺检查。
11.2.4 支吊架设置应符合设计或产品技术文件要求,支吊架安装应牢固、无明显扭曲;与预埋件焊接固定时,焊缝应饱满;膨胀螺栓固定时,螺栓应选用适配、防松零件齐全、连接紧固。
检查数量:按每个检验批的支架总数抽查10%,且各不得少于1处,并应覆盖支架的安装形式。
检查方法:观察检查。
11.2.5 金属支架应进行防腐,位于室外及潮湿场所的应按设计要求做处理。
检查数量:按每个检验批的金属支架总数抽查10%,且不得少于1处。
检查方法:观察检查。