上级...

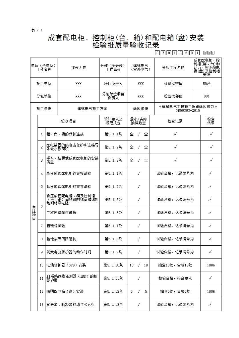
07010201_成套配电柜、控制柜(台、箱)和配电箱(盘)安装检验批质量验收记录

填写规范


成套配电柜、控制柜(台、箱)和配电箱(盘)安装检验批质量验收记录 

一、检验批划分:按一个设计系统或设备组别划分为一个检验批。

5.1 主控项目

5.1.1 柜、台、箱的金属框架及基础型钢应与保护导体可靠连接;对于装有电器的可开启门,门和金属框架的接地端子间应选用截面积不小于4mm²的黄绿色绝缘铜芯软导线连接,并应有标识。

检查数量:全数检查。

检查方法:观察检查。

5.1.2 柜、台、箱、盘等配电装置应有可靠的防电击保护;装置内保护接地导体(PE)排应有裸露的连接外部保护接地导体的端子,并应可靠连接。当设计未做要求时,连接导体最小截面积应符合现行国家标准《低压配电设计规范》GB 50054的规定。

检查数量:全数检查。

检查方法:观察检查并采用力矩扳手检查。

5.1.3 手车、抽屉式成套配电柜推拉应灵活,无卡阻碰撞现象。动触头与静触头的中心线应一致,且触头接触应紧密,投入时,接地触头应先于主触头接触;退出时,接地触头应后于主触头脱开。

检查数量:全数检查;

检查方法:观察检查。

5.1.4 高压成套配电柜应按本规范第3.1.5条的规定进行交接试验,并应合格,且应符合下列规定:

1 继电保护元器件、逻辑元件、变送器和控制用计算机等单体校验应合格,整组试验动作应正确,整定参数应符合设计要求;

2 新型高压电气设备和继电保护装置投入使用前,应按产品技术文件要求进行交接试验。

检查数量:全数检查。

检查方法:模拟试验检查或查阅交接试验记录。

5.1.5 低压成套配电柜交接试验应符合本规范第4.1.6条第3款的规定。

检查数量:全数检查。

检查方法:用绝缘电阻测试仪测试、试验时观察检查或查阅交接试验记录。

5.1.6 对于低压成套配电柜、箱及控制柜(台、箱)间线路的线间和线对地间绝缘电阻值,馈电线路不应小于0.5MΩ,二次回路不应小于1MΩ二次回路的耐压试验电压应为1000 V,当回路绝缘电阻值大于10 Ω时,应采用2500V兆欧表代替,试验持续时间应为1min或符合产品技术文件要求。

检查数量:按每个检验批的配线回路数量抽查20%,且不得少于1个回路。

检查方法:用绝缘电阻测试仪测试或试验、测试时观察检查或查阅绝缘电阻测试记录。

5.1.7 直流柜试验时,应将屏内电子器件从线路上退出,主回路线间和线对地间绝缘电阻值不应小于0.5 MΩ,直流屏所附蓄电池组的充、放电应符合产品技术文件要求整流器的控制调整和输出特性试验应符合产品技术文件要求。

检查数量:全数检查。

检查方法:用绝缘电阻测试仪测试,调整试验时观察检查或查阅试验记录。

5.1.8 低压成套配电柜和配电箱(盘)内末端用电回路中,所设过电流保护电器兼作故障防护时,应在回路末端测量接地故障回路阻抗,且回路阻抗应满足下式要求:

(5.1.8)

式中:Zs(m)—实测接地故障回路阻抗(Ω);Uo—相导体对接地的中性导体的电压(V);Ia—保护电器在规定时间内切断故障回路的动作电流(A)。

检查数量:按末级配电箱(盘、柜)总数量抽查20%,每个被抽查的末级配电箱至少应抽查1个回路,且不应少于1个末级配电箱。

检查方法:仪表测试并查阅试验记录。

5.1.9 配电箱(盘)内的剩余电流动作保护器(RCD)应在施加额定剩余动作电流(I△n)的情况下测试动作时间,且测试值应符合设计要求。

检查数量:每个配电箱(盘)不少于1个。

检查方法:仪表测试并查阅试验记录。

5.1.10 柜、箱、盘内电涌保护器(SPD)安装应符合下列规定:

1 SPD的型号规格及安装布置应符合设计要求;

2 SPD的接线形式应符合设计要求,接地导线的位置不宜靠近出线位置;

3 SPD的连接导线应平直、足够短,且不宜大于0.5m。

检查数量:按每个检验批电涌保护器(SPD)的数量抽查20%,且不得少于1个。

检查方法:观察检查。

5.1.11 IT系统绝缘监测器(IMD)的报警功能应符合设计要求。

检查数量:全数检查。

检查方法:仪表测试。

5.1.12 照明配电箱(盘)安装应符合下列规定:

1 箱(盘)内配线应整齐、无绞接现象;导线连接应紧密、不伤线芯、不断股;垫圈下螺丝两侧压的导线截面积应相同,同一电器器件端子上的导线连接不应多于2根,防松垫圈等零件应齐全;

2 箱(盘)内开关动作应灵活可靠;

3 箱(盘)内宜分别设置中性导体(N)和保护接地导体(PE)汇流排,汇流排上同一端子不应连接不同回路的N或PE。

检查数量:按照明配电箱(盘)数量抽查10%,且不得少于1台。

检查方法:观察检查及操作检查,螺丝刀拧紧检查。

5.1.13 送至建筑智能化工程变送器的电量信号精度等级应符合设计要求,状态信号应正确;接收建筑智能化工程的指令应使建筑电气工程的断路器动作符合指令要求,且手动、自动切换功能均应正常。

检查数量:全数检查。

检查方法:模拟试验时观察检查或查阅检查记录。

5.2 一般项目

5.2.1 基础型钢安装允许偏差应符合表5. 2. 1的规定。

检查数量:按总数抽查20%,且不得少于1台。

检查方法:水平仪或拉线尺量检查。

                  表5. 2. 1 基础型钢安装允许偏差

项  目

允许偏差(mm)

每米

全长

不直度

1.0

5.0

水平度

1.0

5.0

不平行度

5.0

5.2.2 柜、台、箱、盘的布置及安全间距应符合设计要求。

检查数量:全数检查。

检查方法:尺量检查。

5.2.3 柜、台、箱相互间或与基础型钢间应用镀锌螺栓连接,且防松零件应齐全;当设计有防火要求时,柜、台、箱的进出口应做防火封堵,并应封堵严密。

检查数量:按柜、台、箱总数抽查10%,且各不得少于1台。

检查方法:观察检查。

5.2.4 室外安装的落地式配电(控制)柜、箱的基础应高于地坪,周围排水应通畅,其底座周围应采取封闭措施。

检查数量:全数检查。

检查方法:观察检查。

5.2.5 柜、台、箱、盘应安装牢固,且不应设置在水管的正下方。柜、台、箱、盘安装垂直度允许偏差不应大于1. 5‰,相互间接缝不应大于2 mm,成列盘面偏差不应大于5mm。

检查数量:按总数抽查10%,且不得少于1台。

检查方法:线坠尺量检查、塞尺检查、拉线尺量检查。

5.2.6 柜、台、箱、盘内检查试验应符合下列规定:

1 控制开关及保护装置的规格、型号应符合设计要求;

2 闭锁装置动作应准确、可靠;

3 主开关的辅助开关切换动作应与主开关动作一致;

4 柜、台、箱、盘上的标识器件应标明被控设备编号及名称或操作位置,接线端子应有编号,且清晰、工整、不易脱色;

5 回路中的电子元件不应参加交流工频耐压试验,50V及以下回路可不做交流工频耐压试验。

检查数量:按柜、台、箱、盘总数抽查10%,且不得少于1台。

检查方法:观察检查并按设计图核对规格型号。

5.2.7 低压电器组合应符合下列规定:

1 发热元件应安装在散热良好的位置;

2 熔断器的熔体规格、断路器的整定值应符合设计要求;

3 切换压板应接触良好,相邻压板间应有安全距离,切换时不应触及相邻的压板;

4 信号回路的信号灯、按钮、光字牌、电铃、电笛、事故电钟等动作和信号显示应准确;

5 金属外壳需做电击防护时,应与保护导体可靠连接;

6 端子排应安装牢固,端子应有序号,强电、弱电端子应隔离布置,端子规格应与导线截面积大小适配。

检查数量:按低压电器组合完成后的总数抽查10%,且不少于1台。

检查方法:观察检查并按设计图核对电器技术参数。

5.2.8 柜、台、箱、盘间配线应符合下列规定:

1 二次回路接线应符合设计要求,除电子元件回路或类似回路外,回路的绝缘导线额定电压不应低于450/750V;对于铜芯绝缘导线或电缆的导体截面积,电流回路不应小于2. 5 mm2,其他回路不应小于1. 5 mm2。

2 二次回路连线应成束绑扎,不同电压等级、交流、直流线路及计算机控制线路应分别绑扎,且应有标识;固定后不应妨碍手车开关或抽出式部件的拉出或推入。

3 线缆的弯曲半径不应小于线缆允许弯曲半径。

4 导线连接不应损伤线芯。

检查数量:按柜、台、箱、盘总数抽查10%,且不得少于1台。

检查方法:观察检查。

5.2.9 柜、台、箱、盘面板上的电器连接导线应符合下列规定:

1 连接导线应采用多芯铜芯绝缘软导线,敷设长度应留有适当裕量;

2 线束宜有外套塑料管等加强绝缘保护层;

3 与电器连接时,端部应绞紧、不松散、不断股,其端部可采用不开口的终端端子或搪锡;

4 可转动部位的两端应采用卡子固定。

检查数量:按柜、台、箱、盘总数抽查10%,且不得少于1台。

检查方法:观察检查。

5.2.10 照明配电箱(盘)安装应符合下列规定:

1 箱体开孔应与导管管径适配,暗装配电箱箱盖应紧贴墙面,箱(盘)涂层应完整;

2 箱(盘)内回路编号应齐全,标识应正确;

3 箱(盘)应采用不燃材料制作;

4 箱(盘)应安装牢固、位置正确、部件齐全,安装高度应符合设计要求,垂直度允许偏差不应大于1. 5‰。

检查数量:按照明配电箱(盘)总数抽查10%,且不得少于 1台。

检查方法:观察检查并用线坠尺量检查。 

示例