上级...

02040102_钢筋混凝土构件现场拼装检验批质量验收记录

填写规范


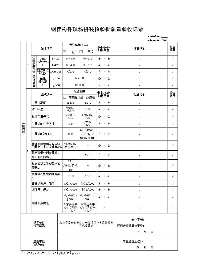
钢管构件现场拼装检验批质量验收记录表

一、检验批划分

按钢管构件现场拼装实际情况划分检验批。

二、主控项目

1.构件上缀件数量、位置:应符合设计要求。

1)检查数量:全数检查。

2)检验方法:观察检查、尺量检查。

2.拼接的方式、程序、方法:应符合现行国家产品标准和设计要求。

1)检查数量:全数检查。

2)检验方法:检查复验报告。

3.焊接材料:应符合设计要求和现行国家标准的有关规定。

1)检查数量:全数检查。

2)检验方法:检查施工记录。

4.焊缝质量(一、二):应符合设计要求和规范规定。

1)检查数量:全数检查。

2)检验方法:检查施工记录及焊缝检测报告。

三、一般项目

1.拼装场地条件:应符合专项施工方案的要求。

1)检查数量:全数检查。

2)检验方法:观感检查、尺量检查。

2. 缺陷类型:应符合表4.2.6的规定。

1)检查数量:同批构件抽查10%,且不少于3件。

2)检验方法:观察检查、尺量检查。

4.2.6二、三级焊缝外观质量标准

项目

允许偏差

 

缺陷类型

二级

三级

未焊满

(指不足设计要求)

0.2+0.02t,且不应大于1.0

0.2+0.04t,且不应大于2.0

100.0焊缝内缺陷总长不应大于25.0

根部收缩

0.2+0.02t,且不应大于1.0

0.2+0.04t,且不应大于2.0

长度不限

 

咬边

0. 05t,且不应大于0.5;连续长度≤100.0,且焊缝两侧咬边总长不应大于10%焊缝全长。

0.1t,且不应大于1.0,长度不限

弧坑裂纹

-

允许存在个别长度≤5.0的弧坑裂纹

电弧擦伤

-

允许存在个别电弧擦伤

 

 

示例