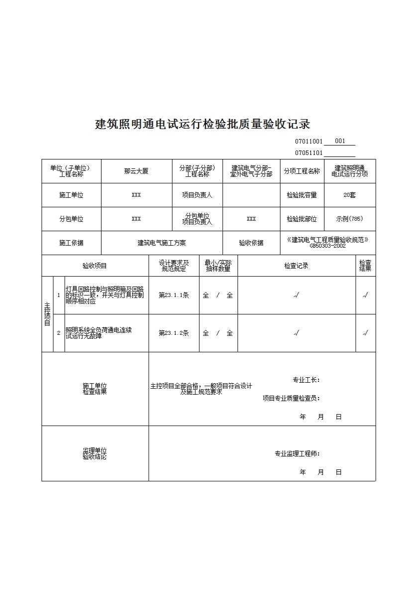
建筑照明通电试运行检验批质量验收记录
一、检验批划分
按施工段、变形缝划分;对于工程量较少的分项工程可统一划分为一个验收批。
二、主控项目
23.1.1照明系统通电,灯具回路控制应与照明配电箱及回路的标识一致;开关与灯具控制顺序相对应,风扇的转向及调速开关应正常。
23.1.2公用建筑照明系统通电连续试运行时间应为24h,民用住宅照明系统通电连续试运行时间应为8h。所有照明灯具均应开启,且每2h记录运行状态1次,连续试运行时间内无故障。