|
云上资料软件
登录
/
注册
免费注册
登录
首页
软件下载
购买
首页
资料软件
(下载)
云上资料软件
(下载)
在线表格
求职招聘
服务平台
那云知道
当前位置:
表格库
>
宁夏
>
电力电网
>
中国南方电网有限责任公司基建工程监理工作典型表式 QCSG411001-2016
>
一、送变电及直流输电工程监理工作典型表式目录
>
A类表:承包单位用表
>
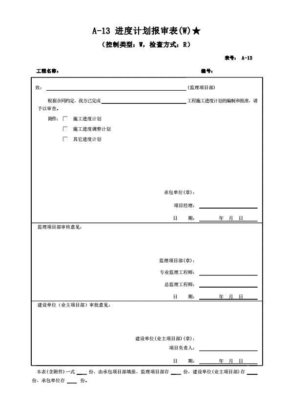
A-13 进度计划报审表(W)★
上级...
A-13 进度计划报审表(W)★
表格
下载表格
点击领取首张表格excel
点击查看大图
下载表格
点击领取首张表格excel
×
下载表格
表格名称:A-13 进度计划报审表(W)★
所需N币:
N币
(我有
)N币)
您的N币不足,请先充值。
充值N币
充值N币
下载
取消
×
分享页面
QQ分享
空间分享
微信分享
微博分享