上级...

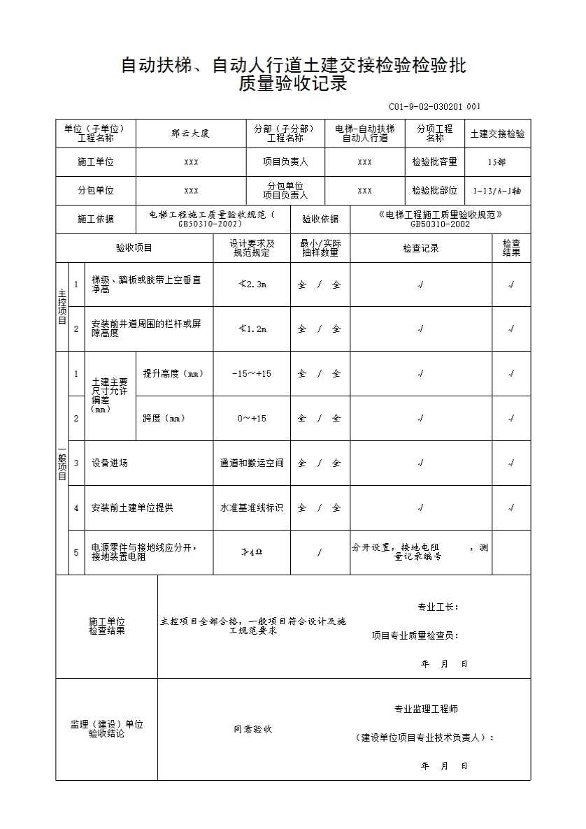
C01-9-02-030201自动扶梯、自动人行道土建交接检验检验批

填写规范


 自动扶梯、自动人行道土建交接检验检验批质量验收记录

一、检验批划分

按施工段、楼层、单元、设备组别划分;对于工程量较少的分项工程可统一划分为一个验收批。

主控项目

6.2.1 自动扶梯的梯级或自动人行道的踏板或胶带上空,垂直净高度严禁小于2.3m

6.2.2 在安装之前,井道周围必须设有保证安全的栏杆或屏障,其高度严禁小于1.2m

一般项目

6.2.3 土建工程应按照土建布置图进行施工,且其主要尺寸允许误差应为提升高度-15+15mm;跨度0+15mm

6.2.4 根据产品供应商的要求应提供设备进场所需的通道和搬运空间。

6.2.5 在安装之前,土建施工单位应提供明显的水平基准线标识。

6.2.6 电源零线和接地线应始终分开。接地装置的接地电阻值不应大于4Ω。

示例