|
云上资料软件
登录
/
注册
免费注册
登录
首页
软件下载
购买
首页
资料软件
(下载)
云上资料软件
(下载)
在线表格
求职招聘
服务平台
那云知道
当前位置:
表格库
>
内蒙古
>
房建
>
内蒙古房屋建筑工程技术资料管理规程2016
>
检验批
>
智能建筑
>
安全技术防范系统
>
系统调试
>
C08-9-02-160504访客(可视)对讲系统调试检验批质量验收记录
上级...
C08-9-02-160504访客(可视)对讲系统调试检验批质量验收记录
表格
填写规范
示例
下载表格
点击领取首张表格excel
点击查看大图
下载表格
点击领取首张表格excel
填写规范
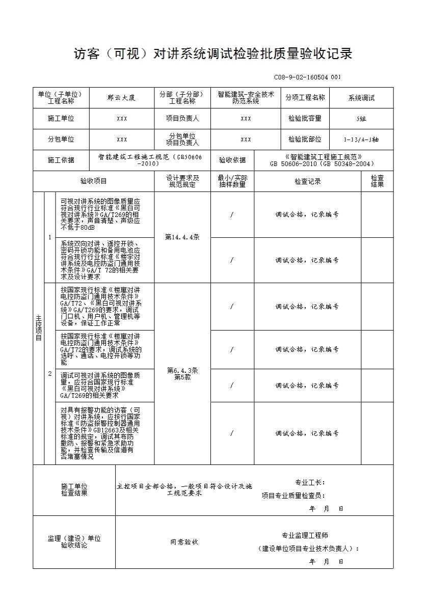
主控项目:
1 1)可视对讲系统的图像质量应符合现行行业标准《黑白可视对讲系统》GA/T269的相关要求,声音清楚、声级应不低于80dB
2)系统双向对讲、遥控开锁、密码开锁功能和备用电池应符合现行行业标准《楼宇对讲系统及电控防盗门统及电控防盗门通用技术条件》GA/T 72的相关要求及设计要求
2 《安全防范工程技术规范》GB50348-2004第6.4.3条第5款
1)按国家现行标准《楼寓对讲电控防盗门通用技术条件》GA/T72、《黑白可视对讲系统》GA/T269的要求,调试门口机、用户机、管理机等设备,保证工作正常
2)按国家现行标准《楼寓对讲电控防盗门通用技术条件》GA/T72的要求,调试系统的选呼、通话、电控开锁等功能
3)调试可视对讲系统的图像质量,应符合国家现行标准《黑白可视对讲系统》GA/T269的相关要求
4)对具有报警功能的访客(可视)对讲系统,应按行国家标准《防盗报警控制器通用技术条件》GB12663及相关标准的规定,调试其布防、撤防、报警和紧急求助功能,并检查传输及信道有否堵塞情况
示例
示例(37614)
1-13/A-J轴
展开
购买软件下载表格
点击领取首张表格excel
N币下载该表格
点击查看大图
×
下载表格
表格名称:C08-9-02-160504访客(可视)对讲系统调试检验批质量验收记录
所需N币:
N币
(我有
)N币)
您的N币不足,请先充值。
充值N币
充值N币
下载
取消
×
分享页面
QQ分享
空间分享
微信分享
微博分享