|
云上资料软件
登录
/
注册
免费注册
登录
首页
软件下载
购买
首页
资料软件
(下载)
云上资料软件
(下载)
在线表格
求职招聘
服务平台
那云知道
当前位置:
表格库
>
内蒙古
>
房建
>
内蒙古房屋建筑工程技术资料管理规程2016
>
检验批
>
智能建筑
>
火灾自动报警系统
>
系统调试
>
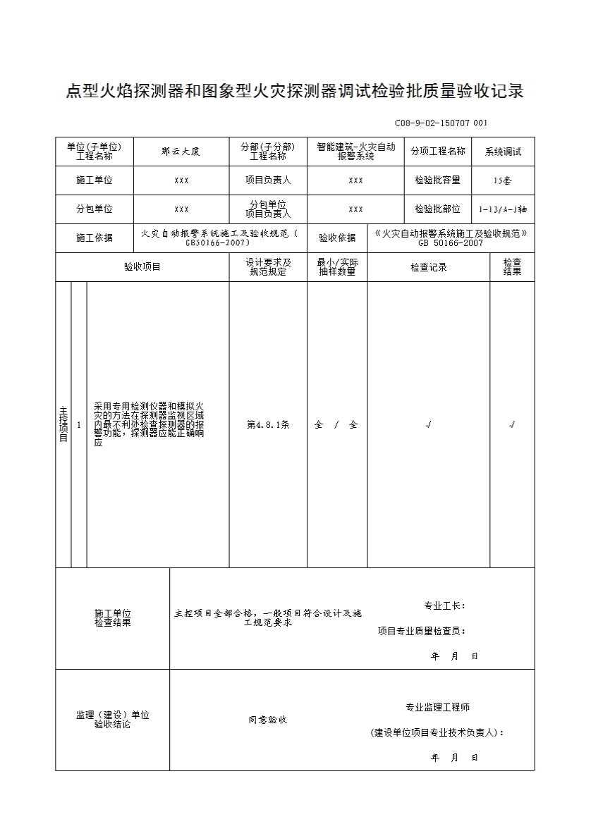
C08-9-02-150707点型火焰探测器和图象型火灾探测器调试检验批质量验收记录
上级...
C08-9-02-150707点型火焰探测器和图象型火灾探测器调试检验批质量验收记录
表格
填写规范
示例
下载表格
点击领取首张表格excel
点击查看大图
下载表格
点击领取首张表格excel
填写规范
主控项目:
1 GB50166-2007第4.8.1条采用专用检测仪器和模拟火灾的方法在探测器监视区域内最不利处检查探测器的报警功能,探测器应能正确响应
示例
示例(37586)
1-13/A-J轴
展开
购买软件下载表格
点击领取首张表格excel
N币下载该表格
点击查看大图
×
下载表格
表格名称:C08-9-02-150707点型火焰探测器和图象型火灾探测器调试检验批质量验收记录
所需N币:
N币
(我有
)N币)
您的N币不足,请先充值。
充值N币
充值N币
下载
取消
×
分享页面
QQ分享
空间分享
微信分享
微博分享