|
云上资料软件
登录
/
注册
免费注册
登录
首页
软件下载
购买
首页
资料软件
(下载)
云上资料软件
(下载)
在线表格
求职招聘
服务平台
那云知道
当前位置:
表格库
>
内蒙古
>
房建
>
内蒙古房屋建筑工程技术资料管理规程2016
>
检验批
>
智能建筑
>
会议系统
>
设备安装
>
C08-9-02-100307同声传译设备安装检验批质量验收记录
上级...
C08-9-02-100307同声传译设备安装检验批质量验收记录
表格
填写规范
示例
下载表格
点击领取首张表格excel
点击查看大图
下载表格
点击领取首张表格excel
填写规范
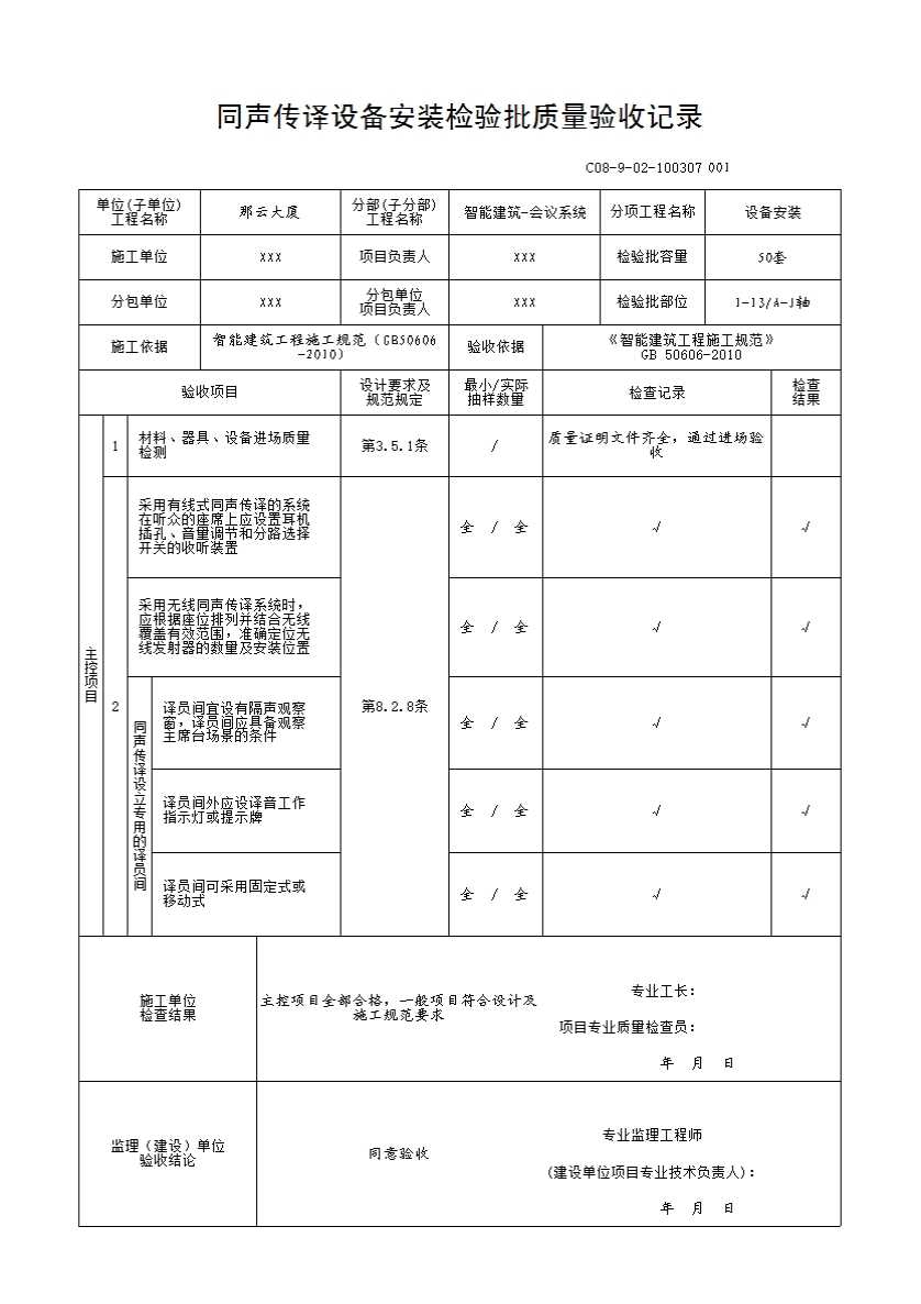
主控项目:
1 材料、器具、设备进场质量检测。
2 第8.2.8条
1)采用有线式同声传译的系统,在听众的座席上应设置耳机插孔、音量调节和分路选择开关的收听装置。
2)采用无线同声传译系统时,应根据座位排列并结合无线覆盖有效范围,准确定位无线发射器的数量及安装位置。
3)译员间宜设有隔声观察窗,译员间应具备观察主席台场景的条件。
4)译员间外应设译音工作指示灯或提示牌。
5)译员间可采用固定式或移动式。
示例
示例(37528)
1-13/A-J轴
展开
购买软件下载表格
点击领取首张表格excel
N币下载该表格
点击查看大图
×
下载表格
表格名称:C08-9-02-100307同声传译设备安装检验批质量验收记录
所需N币:
N币
(我有
)N币)
您的N币不足,请先充值。
充值N币
充值N币
下载
取消
×
分享页面
QQ分享
空间分享
微信分享
微博分享