上级...

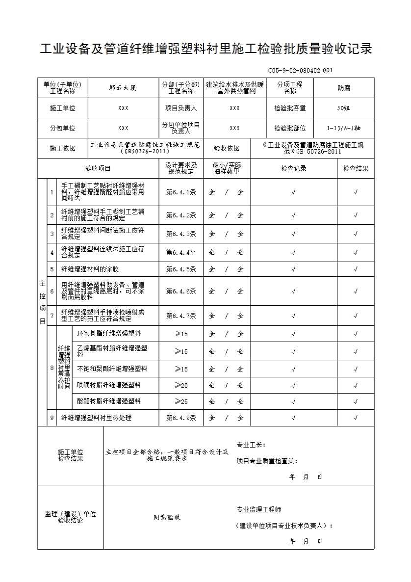
C05-9-02-080402工业设备及管道纤维增强塑料衬里施工检验批质量验收记录

填写规范


 主控项目:
    1.手工糊制工艺贴衬纤维增强塑料,可采用间断法或连续法。纤维增强酚醛树脂应采用间断法。
    2.纤维增强塑料手工糊制工艺铺衬前的施工应符合下列规定:
      1)封底层:在基层表面,应均匀地涂刷封底料,不得有漏涂、流挂等缺陷,自然固化不宜少于24h。
      2)修补层:在基层的凹陷不平处,应采用树脂胶泥料修补填平,凹凸不平的焊缝及转角处应用胶泥抹成圆弧过渡,自然固化不宜少于24h。
      3)纤维增强酚醛树脂或纤维增强呋喃树脂可用环氧树脂或乙烯基酯树脂、不饱和聚酯树脂的胶泥料修补刮平基层。
    3.纤维增温塑料间断法施工应符合下列规定:
      1)玻璃纤维布应剪边。涤纶布应进行防收缩的前处理。
      2)在基层表面应先均匀涂刷一层铺衬胶料,随即衬上一层纤维增强材料,并应贴实,赶净气泡,再涂一层胶料。胶料应饱满。
      3)固化24h后,应修整表面,再按上述程序铺衬以下各层,直至达到设计要求的层数或厚度。
      4)每铺衬一层,均应检查前一铺衬层的质量,当有毛刺、脱层和气泡等缺陷时,应进行修补。
      5)铺衬时,上下两层的接缝应错开,错开距离不得小于50mm。阴阳角处应增加1层~2层纤维增强材料。搭接应顺物料流动方向;贴衬接管的纤维增强材料与贴衬内壁的纤维增强材料应层层错开,搭接宽度不应小于50mm;设备转角、接管处、法兰平面、人孔及其他受力,并受介质冲刷的部位,均应增加1层~2层纤维增强材料,翻边处应剪开贴紧。
    4.纤维增强塑料连续法施工应符合下列规定:
      1)连续法施工的封底、刮胶泥、刷面层,贴衬纤维增强材料的施工和纤维增强材料的搭接要求应符合《工业设备及管道防腐蚀工程施工规范》GB50726-2011第6.4.3条的规定。在衬完最后一层纤维增强材料后,应自然固化24h后.方可进行面层施工。
      2)平面和立面一次连续钟衬的层数或厚度,层数不宜超过3层;厚度应以不产生滑移,固化后不起壳或脱层进行确定。
      3)铺衬时,上下两层纤维增强材料的接缝应错开,错开距离不得小于50mm。阴阳角处应增加l层~2层纤维增强材料。
      4)应在前一次连续铺衬层固化后,再进行下一次连续铺衬层的施工。
      5)连续铺衬至设计要求的层数或厚度后,应自然固化24h,方可再进行封面层施工。
      6)平盖可采用宽幅纤维增强材料,一次连续成型;弧形面(圆形或椭圆形封头)可将纤维增强材料剪成瓜皮形,再贴衬。

      7)面层胶料应涂刷均匀,并应自然固化24h后,再涂刷第二层面层胶料。

    5.纤维增强材料的涂胶除刷涂外,也可采用浸揉法处理。将纤维增强材料放置在配好的胶料里浸泡揉挤,使纤维增强材料完全浸透后,挤出多余的胶料,将纤维增强材料拉平进行贴衬。
    6.用纤维增强塑料做设备、管道及管件衬里隔离层时,可不涂刷面层胶料。
    7.纤维增强塑料手持喷枪喷射成型工艺的施工应符合下列规定:
      1)喷射成型工艺应采用乙烯基酯树脂或不饱和聚酯树脂。玻璃纤维无捻粗纱长度应为25mm~30mm。
      2)在处理的基体表面应均匀喷涂封底胶料,不得有漏涂、流挂等缺陷,自然固化时间不宜少于24h。
      3)将玻璃纤维无捻粗纱切成25mm~30mm长度,与树脂一起喷到被施工设备表面。
      4)喷射厚度应为1mm~2mm,纤维含位不应小于30%.喷射后应采用辊子将沉积物压实,表面应平整、无气泡,并应在室温条件下固化。
    8.纤维增强塑料衬里常温养护时间应符合《工业设备及管道防腐蚀工程施工规范》GB50726-2011表6.4.8的规定。
    9.纤维增强塑料衬里热处理时,应按程序升温,并应严格控制升降温度的速度,热处理温度应大于介质的使用温度。

示例