上级...

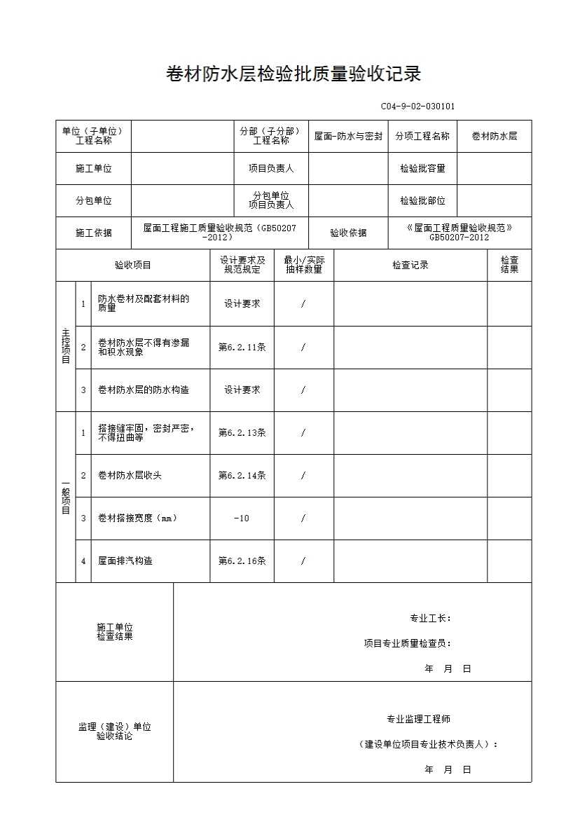
C04-9-02-030101卷材防水层检验批质量验收记录

填写规范


卷材防水层检验批质量验收记录

一、检验批划分

按屋面面积每500m²~1000m²划分为一个检验批,不足500m2应划分为一个检验批。

二、主控项目

6.2.10 防水卷材及其配套材料的质量,应符合设计要求。

检验方法:检查出厂合格证、质量检验报告和进场检验报告。

6.2.11 卷材防水层不得有渗漏和积水现象。

检验方法:雨后观察或淋水、蓄水试验。

6.2.12 卷材防水层在檐口、檐沟、天沟、水落口、泛水、变形缝和伸出屋面管道的防水构造,应符合设计要求。

检验方法:观察检查。

三、一般项目

6.2.13 卷材的搭接缝应粘结或焊接牢固,密封应严密,不得扭曲、皱折和翘边。

检验方法:观察检查。

6.2.14 卷材防水层的收头应与基层粘结,钉压应牢固,密封应严密。

检验方法:观察检查。

6.2.15 卷材防水层的铺贴方向应正确,卷材搭接宽度的允许偏差为-10mm。

检验方法:观察和尺量检查。

6.2.16 屋耐排汽构造的排汽道应纵横贯通,不得堵塞;排汽管应安装牢固,位置应正确,封闭应严密。

检验方法:观察检查。

示例