上级...

C04-9-02-020401现浇泡沫混凝土保温层检验批质量验收记录

填写规范


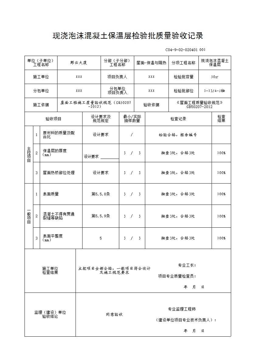
现浇泡沫混凝土保温层检验批质量验收记录

一、检验批划分

按屋面面积每500m²~1000m²划分为一个检验批,不足500m²应划分为一个检验批。

二、主控项目

5.5.5 现浇泡沫混凝土所用原材料的质量及配合比,应符合设计要求。

检验方法:检查原材料出厂合格证、质量检验报告和计量措施。

5.5.6 现浇泡沫混凝士保温层的厚度应符合设计要求,其正负偏差应为5%,且不得大于5mm。

检验方法:钢针插入和尺量检查。

5.5.7 屋而热桥部位处理应符合设计要求。

检验方法:观察检查。

三、一般项目

5.5.8 现浇泡沫混凝土应分层施工,粘结应牢周,表面应平整,找坡应正确。

检验方法:观察检查。

5.5.9 现浇泡沫混凝土不得有贯通性裂缝,以及疏松、起砂、起皮现象。

检验方法:观察检查。

5.5.10 现浇泡沫混凝土保温层表面平整度的允许偏差为5mm。

检验方法:2m靠尺和塞尺检查。


示例