上级...

10010701_电梯安装对重检验批质量验收记录

填写规范


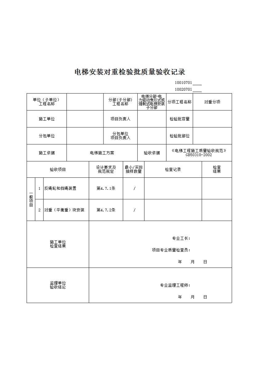
 电梯安装对重检验批质量验收记录

一、检验批划分

按施工段、楼层、单元、设备组别划分;对于工程量较少的分项工程可统一划分为一个验收批。

一般项目

4.7.1 当对重(平衡重)架有反绳轮,反绳轮应设置防护装置和挡绳装置。 

4.7.2 对重(平衡重)块应可靠固定。 

示例