上级...

08110301_信息导引及发布系统显示设备安装检验批质量验收记录

填写规范


信息导引及发布系统显示设备安装检验批质量验收记录

一、检验批划分检验批的划分按施工段、单元及系统划分,对与分项工程可统一划分为一个检验批。

二、主控项目

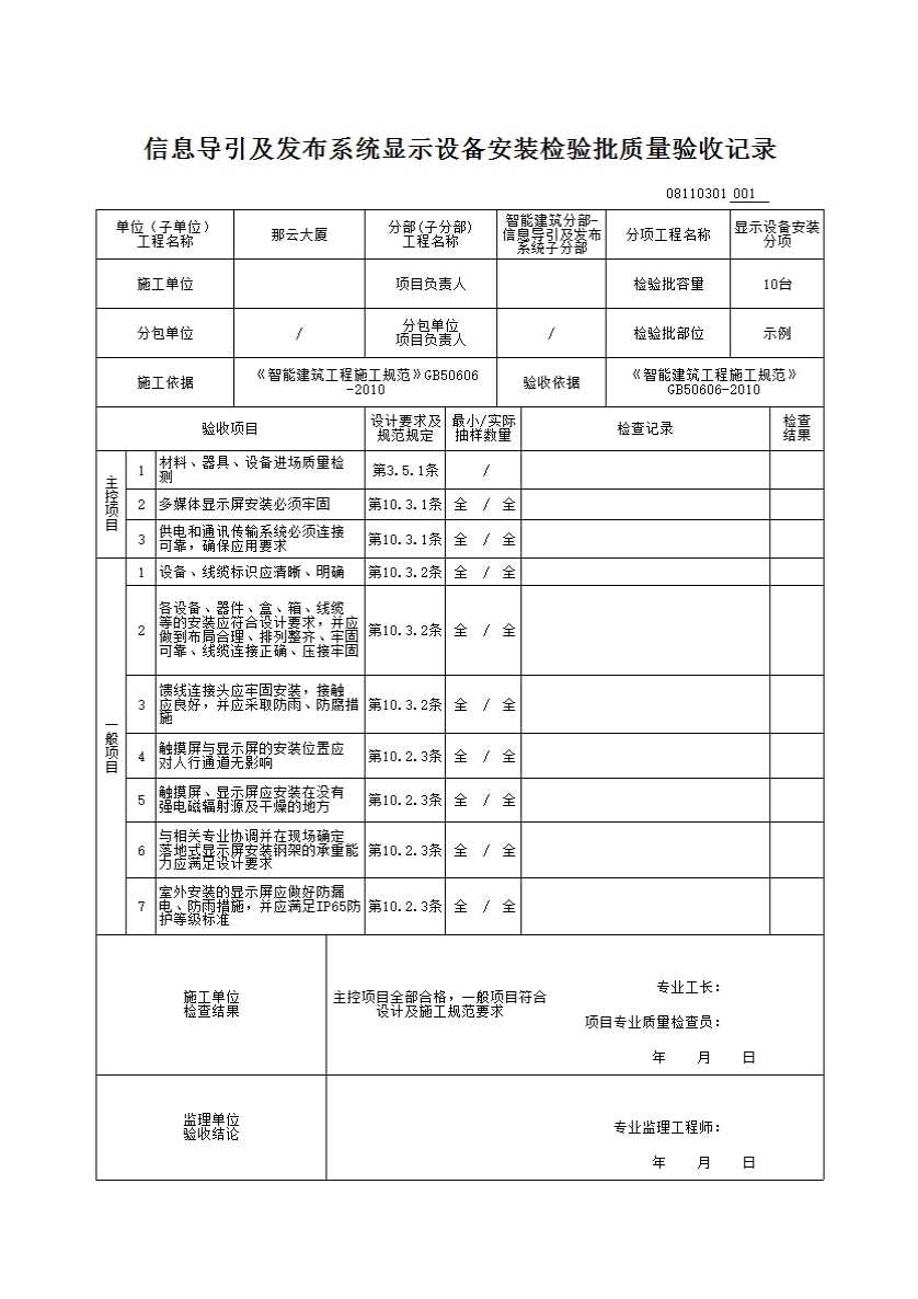
3.5.1 材料、器具、设备进场质量检测:应符合下列规定:

1 需要进行质量检查的产品应包括智能建筑工程各子系统中使用的材料、硬件设备、软件产品和工程中应用的各种系统接口;列入中华人民共和国实施强制性产品认证的产品目录或实施生产许可证和上网许可证管理的产品应进行产品质量检查,未列入的产品也应按规定程序通过产品质量检测后方可使用;      

2 材料及主要设备的检测应符合下列规定:

1)按照合同文件和工程设计文件进行的进场验收,应有书面记录和参加人签字,并应经监理工程师或建设单位验收人员确认;

2)应对材料、设备的外观、规格、型号、数量及产地等进行检查复核;

3)主要设备、材料应有生产厂家的质量合格证明文件及性能的检测报告。

3 设备及材料的质量检查应包括安全性、可靠性及电磁兼容性等项目,并应由生产厂家出具相应检测报告。

10.3.1 多媒体显示屏安装必须牢固、供电和通讯传输系统必须连接可靠,确保应用要求:应符合下列规定:

1 电话交换系统和通信接入系统的检测阶段、检测内容、检测方法及性能指标要求应符合现行行业标准《程控电话交换设备安装工程验收规范》YD5077等国家现行标准的要求;

2 通信系统连接公用通信网信道的传输率、信号方式、物理接口和接口协议应符合设计要求;

3 时钟系统的时间信息设备、母钟、子钟时间控制必须准确、同步;

4 多媒体显示屏安装必须牢固。供电和通讯传输系统必须连接可靠,确保应用要求;

5 呼叫对讲系统应对呼叫响应及时、正确,且图像、语音清晰;

6 售验票系统数据库管理系统的售票数据的统计和检票数据的统计应准确;

7 售验票系统的自动通道闸机必须响应正确、运行可靠。

三、一般项目

10.3.2 一般项目应符合下列规定: 

1 设备、线缆标识应清晰、明确;

2 电话交换系统安装各种业务板及业务板电缆,信号线和电源应分别引入;

3 各设备、器件、盒、箱、线缆等的安装应符合设计要求,并应做到布局合理、排列整齐、牢固可靠、线缆连接正确、压接牢固;

4 馈线连接头应牢固安装,接触应良好,并应采取防雨、防腐措施。

10.2.3 信息导引及发布系统安装应符合下列规定: 

1 系统服务器、工作站应安装于机房的机柜内,并应符合本规范的第6章的规定;

2 触摸屏与显示屏的安装位置应对人行通道无影响;

3 触摸屏、显示屏应安装在没有强电磁辐射源及干燥的地方;

4 与相关专业协调并在现场确定落地式显示屏安装钢架的承重能力应满足设计要求;

5 室外安装的显示屏应做好防漏电、防雨措施,并应满足IP65防护等级标准。

示例