|
云上资料软件
登录
/
注册
免费注册
登录
首页
软件下载
购买
首页
资料软件
(下载)
云上资料软件
(下载)
在线表格
求职招聘
服务平台
那云知道
当前位置:
表格库
>
内蒙古
>
电力电网
>
输变电工程施工质量验收统一表式(变电工程土建专业)-2024年版(上册)
>
03 屋内配电装置系统建、构筑物
>
0301 XXX屋内配电装置室
>
主体结构
>
混凝土结构
>
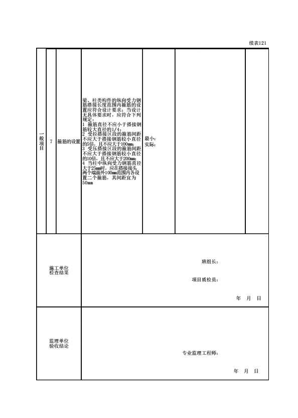
0301020102 钢筋
>
030102010206 钢筋电渣压力焊检验批质量验收记录
上级...
030102010206 钢筋电渣压力焊检验批质量验收记录
表格
下载表格
点击领取首张表格excel
点击查看大图
点击查看大图
点击查看大图
下载表格
点击领取首张表格excel
×
下载表格
表格名称:030102010206 钢筋电渣压力焊检验批质量验收记录
所需N币:
N币
(我有
)N币)
您的N币不足,请先充值。
充值N币
充值N币
下载
取消
×
分享页面
QQ分享
空间分享
微信分享
微博分享