|
云上资料软件
登录
/
注册
免费注册
登录
首页
软件下载
购买
首页
资料软件
(下载)
云上资料软件
(下载)
在线表格
求职招聘
服务平台
那云知道
当前位置:
表格库
>
内蒙古
>
电力电网
>
10kV~500kV输变电及配电工程质量验收与评定标准(Q、CSG 411002-2012)
>
第七册:通信
>
附录A 工程验收测试记录及工程质量验收与评定记录
>
七、视频会议系统 单位工程资料核查项目表
>
1 视频会议系统 验收测试记录表目录
>
1.2 视频会议系统 系统检验记录表
>
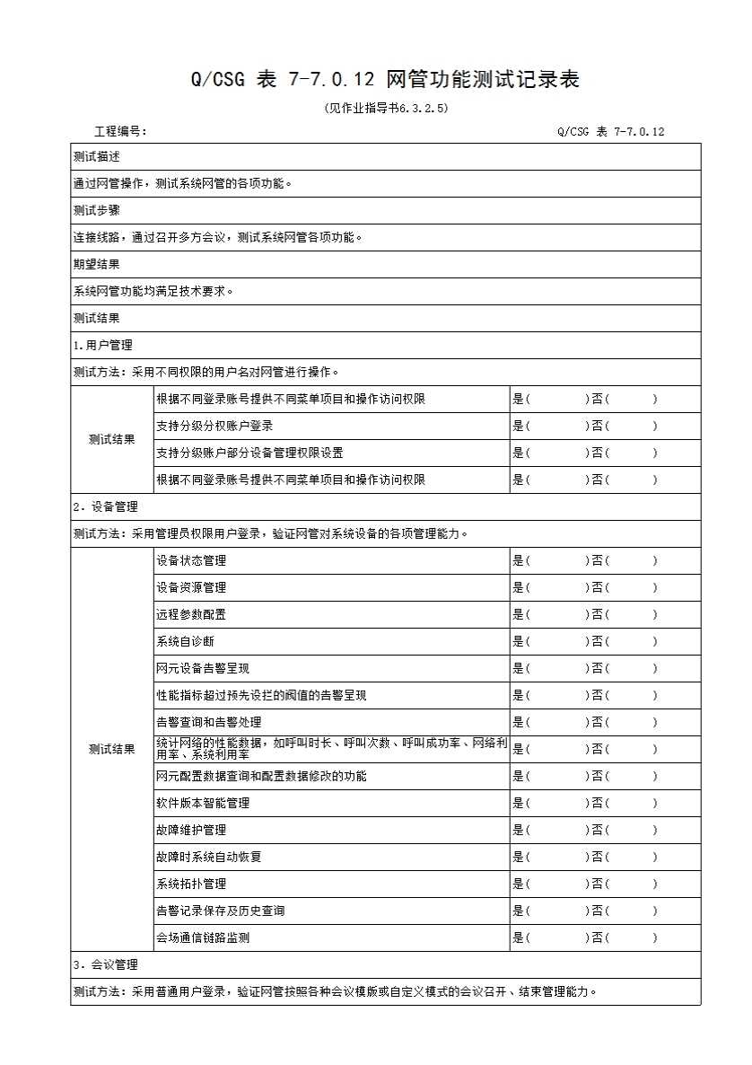
QCSG 表 7-7.0.12 网管功能测试记录表
上级...
QCSG 表 7-7.0.12 网管功能测试记录表
表格
下载表格
点击领取首张表格excel
点击查看大图
点击查看大图
下载表格
点击领取首张表格excel
×
下载表格
表格名称:QCSG 表 7-7.0.12 网管功能测试记录表
所需N币:
N币
(我有
)N币)
您的N币不足,请先充值。
充值N币
充值N币
下载
取消
×
分享页面
QQ分享
空间分享
微信分享
微博分享