上级...

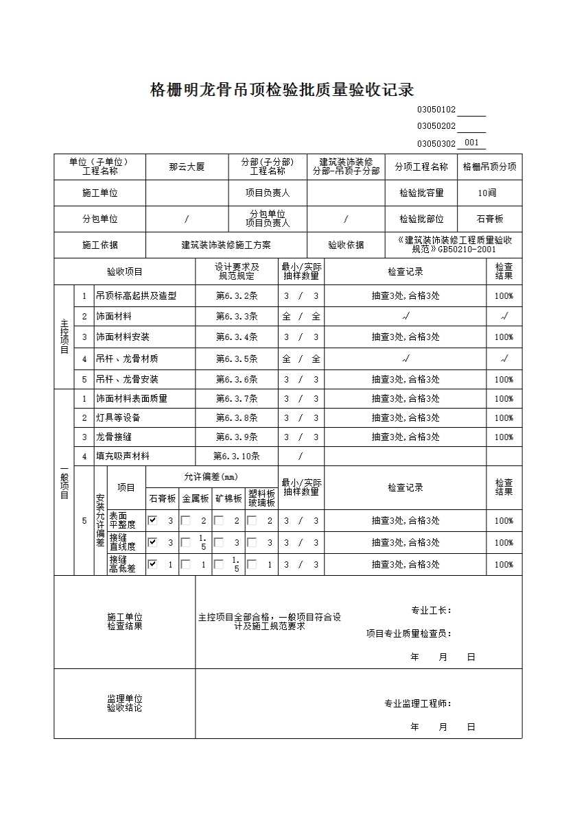
03050302_格栅明龙骨吊顶检验批质量验收记录

填写规范


格栅明龙骨吊顶检验批质量验收记录

一、检验批划分

同一品种的吊顶工程每50间(大面积房间和走廊按吊顶面积30㎡为一间)应划分为一个检验批,不足50间也应划分为一个检验批。

二、主控项目

6.3.2 吊顶标高、尺寸、起拱和造型应符合设计要求。检验方法:观察;尺量检查。

6.3.3 饰面材料的材质、品种、规格、图案和颜色应符合设计要求。当饰面材料为玻璃板时,应使用安全玻璃或采取可靠的安全措施。

检验方法:观察;检查产品合格证书、性能检测报告和进场验收记录。

6.3.4 饰面材料的安装应稳固严密。饰面材料与龙骨的搭接宽度应大于龙骨受力面宽度的2/3。

检验方法:观察;手扳检查;尺量检查。

6.3.5 吊杆、龙骨的材质、规格、安装间距及连接方式应符合设计要求。金属吊杆、龙骨应进行表面防腐处理;木龙骨应进行防腐、防火处理。

检验方法:观察;尺量检查;检查产品合格证书、进场验收记录和隐蔽工程验收记录。

6.3.6 明龙骨吊顶工程的吊杆和龙骨安装必须牢固。

检验方法:手扳检查;检查隐蔽工程验收记录和施工记录。

三、一般项目

6.3.7 饰面材料表面应洁净、色泽一致,不得有翘曲、裂缝及缺损。饰面板与明龙骨的搭接应平整、吻合,压条应平直、宽窄一致。检验方法:观察;尺量检查。

6.3.8 饰面板上的灯具、烟感器、喷淋头、风口篦子等设备的位置应合理、美观,与饰面板的交接应吻合、严密。

检验方法:观察。

6.3.9 金属龙骨的接缝应平整、吻合、颜色一致,不得有划伤、擦伤等表面缺陷。木质龙骨应平整、顺直,无劈裂。

检验方法:观察。

6.3.10 吊顶内填充吸声材料的品种和铺设厚度应符合设计要求,并应有防散落措施。

检验方法:检查隐蔽工程验收记录和施工记录。

6.3.11 明龙骨吊顶工程安装的允许偏差和检验方法应符合表6.3.11的规定。

6.3.11明龙骨吊顶工程安装的允许偏差和检验方法

项次

项目

允许偏差(mm)

检验方法

石膏板

金属板

矿棉板

塑料板、玻璃板

1

表面平整度

3

2

3

3

用2m靠尺和塞尺检查

2

接缝直线度

3

2

3

3

拉5 m线,不足5 m拉通线,用钢直尺检查

3

接缝高低差

1

1

2

1

用钢直尺和塞尺检查

示例