上级...

03050301_格栅暗龙骨吊顶检验批质量验收记录

填写规范


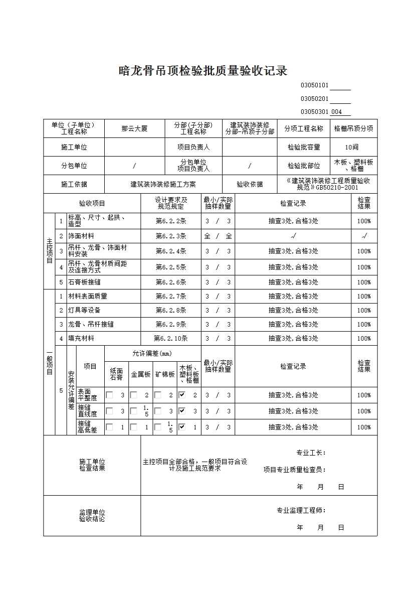
格栅暗龙骨吊顶检验批质量验收记录

一、检验批划分

同一品种的吊顶工程每50间(大面积房间和走廊按吊顶面积30㎡为一间)应划分为一个检验批,不足50间也应划分为一个检验批。

二、主控项目

6.2.2 吊顶标高、尺寸、起拱和造型应符合设计要求。检验方法:观察;尺量检查。

6.2.3 饰面材料的材质、品种、规格、图案和颜色应符合设计要求。

检验方法:观察;检查产品合格证书、性能检测报告、进场验收记录和复验报告。

6.2.4 暗龙骨吊顶工程的吊杆、龙骨和饰面材料的安装必须牢固。

检验方法:观察;手扳检查;检查隐蔽工程验收记录和施工记录。

6.2.5 吊杆、龙骨的材质、规格、安装间距及连接方式应符合设计要求。金属吊杆、龙骨应经过表面防腐处理;木吊杆、龙骨应进行防腐、防火处理。

检验方法:观察;尺量检查;检查产品合格证书、性能检测报告、进场验收记录和隐蔽工程验收记录。

6.2.6 石膏板的接缝应按其施工工艺标准进行板缝防裂处理。安装双层石膏板时,面层板与基层板的接缝应错开,并不得在同一根龙骨上接缝。检验方法:观察。

三、一般项目

6.2.7 饰面材料表面应洁净、色泽一致,不得有翘曲、裂缝及缺损。压条应平直、宽窄一致。

检验方法:观察;尺量检查。

6.2.8 饰面板上的灯具、烟感器、喷淋头、风口篦子等设备的位置应合理、美观,与饰面板的交接应吻合、严密。

检验方法:观察。

6.2.9 金属吊杆、龙平的接缝应均匀一致,角缝应吻合,表面应平整,无翘曲、锤印。木质吊杆、龙平应顺直,无劈裂、变形。检验方法:检查隐蔽工程验收记录和施工记录。

6.2.10 吊顶内填充吸声材料的品种和铺设厚度应符合设计要求,并应有防散落措施。

检验方法:检查隐蔽工程验收记录和施工记录。

6.2.11 暗龙平吊顶工程安装的允许偏差和检验方法应符合表6.2.11的规定。

6.2.11暗龙骨吊顶工程安装的允许偏差(mm)

项次

项目

允许偏差(mm)

检验方法

纸面石膏板

金属板

矿棉板

木板、塑料板、格栅

1

表面平整度

3

2

2

3

用2m靠尺和塞尺检查

2

接缝直线度

3

1.5

3

3

拉5m线,不足5 m拉通线,用钢直尺检查

3

接缝高低差

1

1

1.5

1

用钢直尺和塞尺检查

示例