上级...

08180802_机房设备安装检验批质量验收记录

填写规范


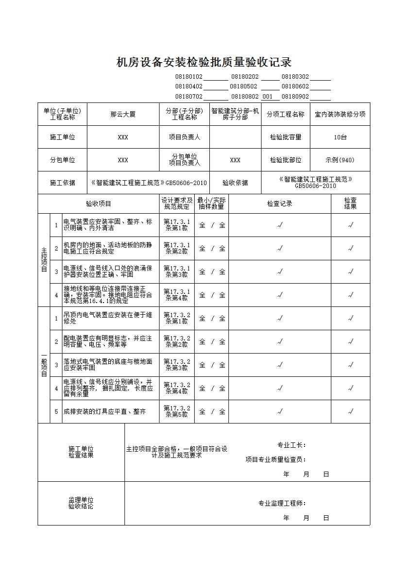
机房设备安装检验批质量验收记录

一、检验批划分按施工段、单元及系统划分;对于工程量较少的分项工程可统一划分为一个验收批。

二、主控项目

17.3.1 主控项目应符合下列规定:

1 电气装置应安装牢固、整齐、标识明确、内外清洁;

2 机房内的地面、活动地板的防静电施工应符合行业标准《民用建筑电气规范》JGJ16-2008第23.2节的要求;

3 电源线、信号线入口处的浪涌保护器安装位置正确、牢固;

4 接地线和等电位连接带连接正确,安装牢固。建筑物等电位连接的接地网外露部分应连接可靠、规格正确、油漆完好、标志齐全明显。

三、一般项目

17.3.2 一般项目应符合下列规定:

1 吊顶内电气装置应安装在便于维修处;

2 配电装置应有明显标志,并应注明容量、电压、频率等;

3 落地式电气装置的底座与楼地面应安装牢固;

4 电源线、信号线应分别铺设,并应排列整齐,捆扎固定,长度应留有余量;

5 成排安装的灯具应平直、整齐。

示例