上级...

06040401_风机安装工程检验批质量验收记录

填写规范


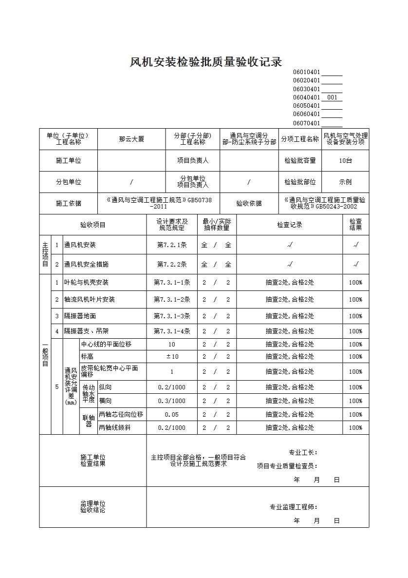
风机安装检验批质量验收记录

本表适用于工作压力不大于5KPa的风机设备安装质量的检验与验收。

一、检验批划分

应按一个设计系统或设备组别划分为一个检验批。

二、主控项目

1.通风机安装:应符合下列规定:1)型号、规格应符合设计规定,其出口方向应正确。2)叶轮旋转应平稳,停转后不应每次停留在同一位位置上。3)固定通风机的地脚螺栓应拧紧,并有防松动措施。

1)检查数量:全数检查。

2)检查方法:依据设计图核对、观察检查。

2.通风机安全措施:通风机传动装置的外露部位及直通大气的进、出口,必须装设防护罩(网)或采取其他安全设施。

1)检查数量:全数检查。

2)检查方法:依据设计图核对、观察检查。

三、一般项目

1.叶轮与机壳安装:通风机的安装,应符合表7.3.1的规定,叶轮转子与机壳的组装位置应正确;叶轮进风口插入风机机壳进风口或密封圈的深度,应符合设备技术文件的规定,或为叶轮外径值的1/100

1)检查数量:按总数抽查20﹪,不得少于1台。

2)检查方法:尺量、观察或检查施工记录。

2.轴流风机叶片安装:现场组装的轴流风机叶片安装角度应一致,达到在同一平面内动作,叶轮与筒体之间的间隙应均匀,水平度允许偏差为1/1000

1)检查数量:按总数抽查20%,不得少于1台。

2)检查方法:尺量、观察或检查施工记录。

3.隔振器地面:安装隔振器的地面应平整,各组隔振器承受荷载的压缩量应均匀,高度误差应小于2mm

1)检查数量:按总数抽查20﹪,不得少于1台。

2)检查方法:尺量、观察或检查施工记录。

4.隔振器支、吊架:安装风机的隔振钢支、吊架,其结构形式和外形尺寸应符合设计或设备技术文件的规定;焊接应牢固,焊缝应饱满、均匀。

1)检查数量:按总数抽查20﹪,不得少于1台。

2)检查方法:尺量、观察或检查施工记录。

5.通风机安装允许偏差(mm):应符合表7.3.1的规定。

1)检查数量:按总数抽查20%,不得少于1台。

2)检查方法:尺量、观察或检查施工记录。

7.3.1通风机安装的允许偏差

项次

项目

 

允许偏差

检验方法

1

中心线的平面位移

 

10mm

经纬仪或拉线和尺量检查

2

标高

 

±10mm

水准仪或水平仪、直尺、拉线和尺量检查

3

皮带轮轮宽中心平面偏移

 

1m

在主、从动皮带轮端面拉线和尺量检查

4

传动轴水平度

 

纵向0.2/1000横向0.3/1000

在轴或皮带轮180°的两个位置上,用水平仪检查

5

联抽器

两轴芯

径向位移

0.05mm

在联抽器互相垂直的四个位置上,用百分表检查

两面轴线倾斜

0.2/1000

 

 

示例