上级...

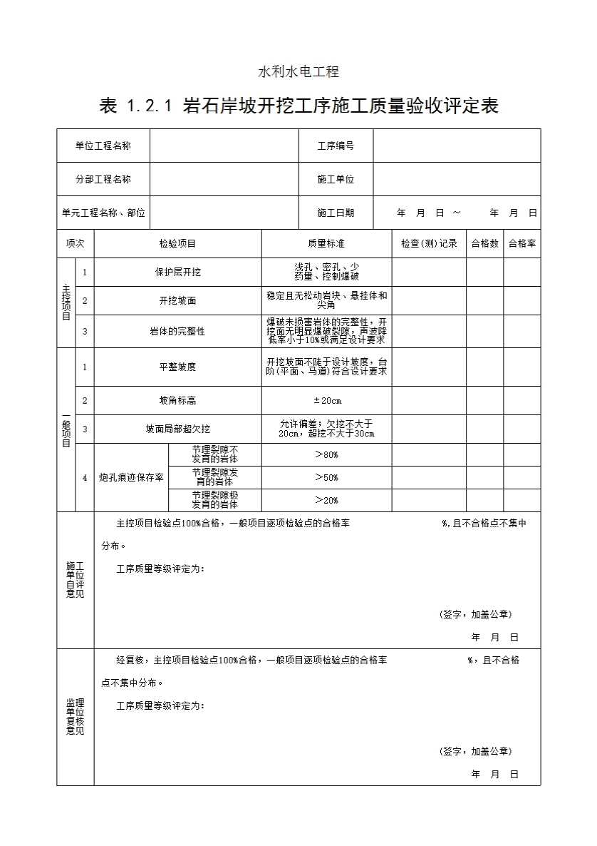
表1.2.1 岩石岸坡开挖工序施工质量验收评定表

填写规范


1.2.1 岩石岸坡开挖工序施工质量验收评定表

填表说明

填表时必须遵守“填表基本规定”,并符合以下要求。

1.单位工程、分布工程、单元工程名称及部位填写要与表1.2相同。

2.检验(测)方法及数量。

检 验 项 目

检 验 项 目

检 验 数 量

保护层开挖

观察、量测、查阅施工记录

每个单元抽测3处,每处不少于10

开挖坡面

观察、仪器测量、查阅施工记录

全数检查

岩体的完整性

观察、声波检测(需要时采用)

符合设计要求

平均坡度

观察、测量、查阅施工记录

总检测点数量采用横断面控制,断面间距不大于10m,各横断面沿坡面斜长方向测点间距不大于5m,且点数不少于6个点;局部突出或凹陷部位(面积在0.5以上者)应增设检测点

坡角标高

坡面局部超欠挖

炮孔痕迹保存率

3.工序施工质量验收评定应提交下列资料。

1施工单位各班(组)的初检记录、施工队复检记录、施工单位专职质检员终检记录,工序中各施工质量检验项目的检验资料。

2监理单位对工序中施工质量检验项目的平行检测资料。

4.工序质量标准。

(1)合格标准。1)主控项目,检验结果应全部符合SL631的要求。2)一般项目,逐项应有70%及以上的检验点合格,且不合格点不应集中。3)各项报验资料应符合SL631的要求。

(2)优良标准。1)主控项目,检验结果应全部符合SL631的要求。2)一般项目,逐项应有90%及以上的检验点合格,且不合格点不应集中。3)各项报验资料应符合SL631的要求。