上级...

表7.4 离心泵安装单元工程质量验收评定表

填写规范


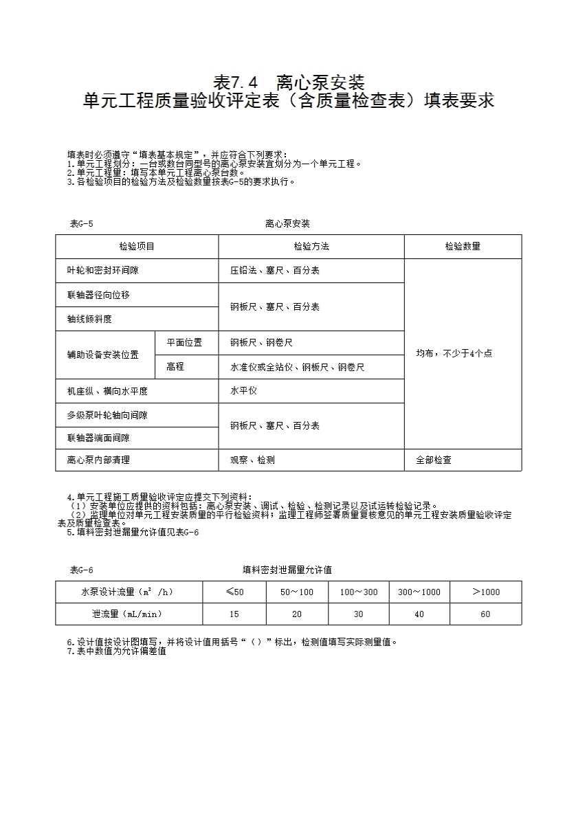
表7.4  离心泵安装单元工程质量验收评定表(含质量检查表)填表要求

  填表时必须遵守“填表基本规定”,并应符合下列要求:
  1.单元工程划分:一台或数台同型号的离心泵安装宜划分为一个单元工程。
  2.单元工程量:填写本单元工程离心泵台数。
  3.各检验项目的检验方法及检验数量按表G-5的要求执行。

  4.单元工程施工质量验收评定应提交下列资料:
  (1)安装单位应提供的资料包括:离心泵安装、调试、检验、检测记录以及试运转检验记录。
  (2)监理单位对单元工程安装质量的平行检验资料;监理工程师签署质量复核意见的单元工程安装质量验收评定表及质量检查表。
  5.填料密封泄漏量允许值见表G-6

  6.设计值按设计图填写,并将设计值用括号“()”标出,检测值填写实际测量值。
  7.表中数值为允许偏差值