上级...

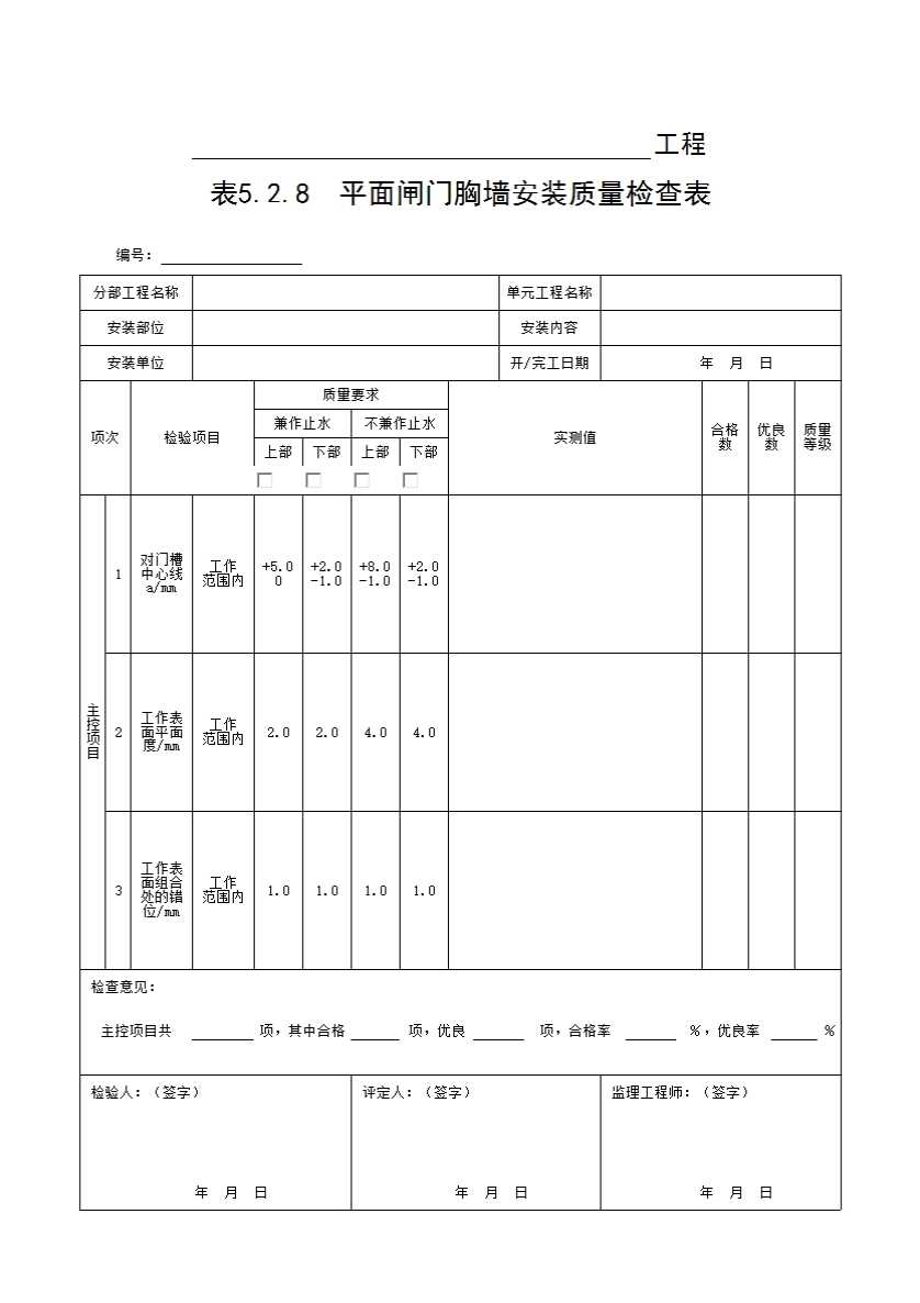
表5.2.8 平面闸门胸墙安装质量检查表

填写规范


表5.2.8 平面闸门胸墙安装质量检查表填表要求

  填表时必须遵守“填表基本规定”,并应符合下列要求:
  1.分部工程、单元工程名称填写应与表5.2相同。
  2.检验部位如图 E-8 所示。


   3.单元工程安装质量检验项目质量标准:
    (1)合格等级标准:主控项目,检测点应100%符合合格标准。
    (2)优良等级标准:在合格等级标准基础上,所有检测点应90%及以上符合优良标准。
   4.表中数值为允许偏差值。