表2.9 混凝土坝坝体接缝灌浆单元工程施工质量验收评定表填表要求
填表时必须遵守“填表基本规定”,并应符合下列要求:
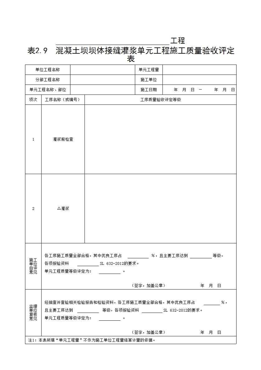
1.单元工程划分:宜以设计、施工确定的灌浆区(段)划分,每一灌浆区(段)划分为一个单元工程。
2.对进场的水泥、掺合料、外加剂等原材料质量应按有关规范要求进行全面检验,检验结果应满足相关产品标准。不同批次原材料在工程中的使用部位应有记录,并填写原材料及中间产品备查表(混凝土单元工程原材料检验备查表)。
3.灌浆前的准备工作完成后应及时灌浆,避免灌缝及管路污染或堵塞。灌浆用水、水泥和外加剂等材料的质量标准应符合设计和相关产品质量标准的要求。效果检查(如钻孔取芯及压水试验检查)应符合设计要求。
4.单元工程量填写本单元工程灌浆区域面积(m)。
5.单元工程分为灌浆前检查和灌浆2个工序,其中灌浆施工工序为主要工序,用△标注。本表是在表2.9.1、
表2.9.2工序施工质量验收评定合格的基础上进行。
6.单元工程施工质量验收评定应提交下列资料:
(1)施工单位应提交单元工程中所含工序(或检验项目)验收评定的检验资料,原材料、拌和物与各项实体检验项目的检验记录资料。
(2)监理单位应提交对单元工程施工质量的平行检测资料。
7.单元工程质量标准:
(1)合格等级标准:各工序施工质量验收评定应全部合格;各项报验资料应符合SL 632-2012的要求。
(2)优良等级标准:各工序施工质量验收评定应全部合格,其中优良工序应达到50%及以上,且主要工序应达到优良等级;各项报验资料应符合SL 632-2012的要求。