上级...

01020409_多层及高层钢结构安装检验批质量验收记录

填写规范


 多层及高层钢结构安装检验批质量验收记录 

一、检验批划分

层钢结构安装工程可按楼层或施工段等划分为一个或若干个检验批。地下钢结构可按不同地下层划分检验批。

二、主控项目

11.2.1 建筑物的定位轴线、基础上柱的定位轴线和标高、地脚螺栓(锚栓)的规格和位置、地脚螺栓(锚栓)紧固应符合设计要求。当设计无要求时,应符合表 11.2.1 的规定。

检查数量:按柱基数抽查 10%,且不应少于 3 个。

检验方法:采用经纬仪、水准仪、全站仪和钢尺实测。


11.2.2 多层建筑以基础顶面直接作为柱的支承面,或以基础顶面预埋钢板或支座作为柱的支承面时,其支承面、地脚螺栓(锚栓)位置的允许偏差应符合本规范表 10.2.2的规定。

检查数量:按柱基数抽查 10%,且不应少于 3 个。

检验方法:用经纬仪、水准仪、全站仪、水平尺和钢尺实测。

11.2.3 多层建筑采用座浆垫板时,座浆垫板的允许偏差应符合本规范表 10.2.3 的规定。

检查数量:资料全数检查。按柱基数抽查 10%,且不应少于 3 个。

检验方法:用水准仪、全站仪、水平尺和钢尺实测。

11.2.4 当采用杯口基础时,杯口尺寸的允许偏差应符合本规范表 10.2.4 的规定。

检查数量:按基础数抽查 10%,且不应少于 4 处。

检验方法:观察及尺量检查。

11.3.1 钢构件应符合设计要求和本规范的规定。运输、堆放和吊装等造成的钢构件变形及涂层脱落,应进行矫正和修补。

检查数量:按构件数抽查 10%,且不应少于 3 个。

检验方法:用拉线、钢尺现场实测或观察。

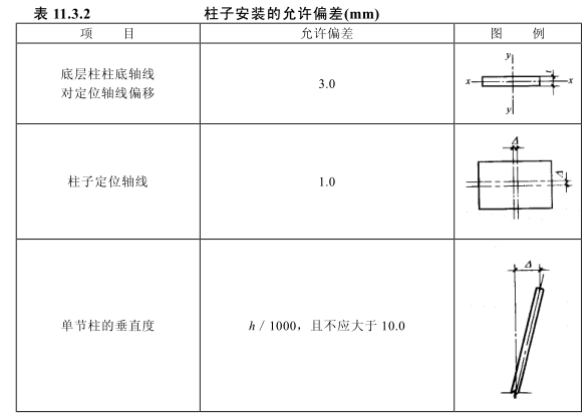
11.3.2 柱子安装的允许偏差应符合表 11.3.2 的规定。

检查数量:标准柱全部检查;非标准柱抽查 10%,且不应少于 3 根。

检验方法:用全站仪或激光经纬仪和钢尺实测。


11.3.3 设计要求顶紧的节点,接触面不应少于 70%紧贴,且边缘最大间隙不应大于0.8mm。

检查数量:按节点数抽查 10%,且不应少于 3 个。

检验方法:用钢尺及 0.3mm 和 0.8mm 厚的塞尺现场实测。

11.3.4 钢主梁、次梁及受压杆件的垂直度和侧向弯曲矢高的允许偏差应符合本规范表 10.3.3 中有关钢屋(托)架允许偏差的规定。

检查数量:按同类构件数抽查 10%,且不应少于 3 个。

检验方法:用吊线、拉线、经纬仪和钢尺现场实测。

11.3.5 多层及高层钢结构主体结构的整体垂直度和整体平面弯曲的允许偏差应符合表多层及高层钢结构主体结构的整体垂直度和整体平面弯曲的允许偏差应符合表 11.3.5 的规定。

检查数量:对主要立面全部检查。对每个所检查的立面,除两列角柱外,尚应至少选取一列中间柱。对主要立面全部检查。对每个所检查的立面,除两列角柱外,尚应至少选取一列中间柱。

检验方法:对于整体垂直度,可采用激光经纬仪、全站仪测量,也可根据各节柱的垂直度允许偏差累计对于整体垂直度,可采用激光经纬仪、全站仪测量,也可根据各节柱的垂直度允许偏差累计( 代数和) 计算。对于整体平面弯曲,可按产生的允许偏差累计(代数和)计算。


三、一般项目

11.2.5 地脚螺栓(锚栓)尺寸的允许偏差应符合本规范表 10.2.5 的规定。地脚螺栓(锚栓)的螺纹应受到保护。

检查数量:按柱基数抽查 10%,且不应少于 3 个。

检验方法:用钢尺现场实测。

11.3.6 钢结构表面应干净,结构主要表面不应有疤痕、泥沙等污垢。

检查数量:按同类构件数抽查 10%,且不应少于 3 件。

检验方法:观察检查。

11.3.7 钢柱等主要构件的中心线及标高基准点等标记应齐全。

检查数量:按同类构件数抽查 10%,且不应少于 3 件。

检验方法:观察检查。

11.3.8 钢构件安装的允许偏差应符合本规范附录 E 中表 E.0.5 的规定。

检查数量:按同类构件或节点数抽查 10%。其中柱和梁各不应少于 3 件,主梁与次梁连接节点不应少于 3 个,支承压型金属板的钢梁长度不应少于 5m。

检验方法:见本规范附录 E 中表 E.0.5。

11.3.9 主体结构总高度的允许偏差应符合本规范附录 E 中表 E.0.6 的规定。

检查数量:按标准柱列数抽查 10%,且不应少于 4 列。

检验方法:采用全站仪、水准仪和钢尺实测。

11.3.10 当钢构件安装在混凝土柱上时,其支座中心对定位轴线的偏差不应大于10mm;当采用大型混凝土屋面板时,钢梁(或桁架)间距的偏差不应大于 10mm。

检查数量:按同类构件数抽查 10%,且不应少于 3 榀。

检验方法:用拉线和钢尺现场实测。

11.3.11 多层及高层钢结构中钢吊车梁或直接承受动力荷载的类似构件,其安装的允许偏差应符合本规范附录 E 中表 E.0.2 的规定。

检查数量:按钢吊车梁数抽查 10%,且不应少于 3 榀。

检验方法:见本规范附录 E 中表 E.0.2。

11.3.12 多层及高层钢结构中檩条、墙架等次要构件安装的允许偏差应符合本规范附录 E 中表 E.0.3 的规定。

检查数量:按同类构件数抽查 10%,且不应少于 3 件。

检验方法:见本规范附录 E 中表 E.0.3。

11.3.13 多层及高层钢结构中钢平台、钢梯、栏杆安装应符合现行国家标准《固定式钢直梯》GB4053.1、《固定式钢斜梯》GB4053.2、《固定式防护栏杆》GB4053.3 和《固定式钢平台》GB4053.4 的规定。钢平台、钢梯和防护栏杆安装的允许偏差应符合本规范附录 E 中表 E.0.4 的规定。

检查数量:按钢平台总数抽查 10%,栏杆、钢梯按总长度各抽查 10%,但钢平台不应少于 1 个,栏杆不应少于 5m,钢梯不应少于 1 跑。

检验方法:见本规范附录 E 中表 E.0.4。

11.3.14 多层及高层钢结构中现场焊缝组对间隙的允许偏差应符合本规范表10.3.11 的规定。

10.3.11现场焊缝组对间隙的允许偏差(mm)

项目

允许偏差

无垫板间隙

+3.0,0.0

有垫板间隙

+3.0,0.0


检查数量:按同类节点数抽查 10%,且不应少于 3 个。

检验方法:尺量检查。