塑料板安装检验批质量验收记录
一、检验批划分
1 相同材料、工艺和施工条件的室内饰面板(砖)工程每50间(大面积房间和走廊按施工面积每30㎡为一间)应划分为一个检验批,不足50间也应划分为一个检验批。
2 相同材料、工艺和施工条件的室外饰面板(砖)工程每500~1000㎡应划分为一个检验批,不足500㎡也应划分为一个检验批。
二、主控项目
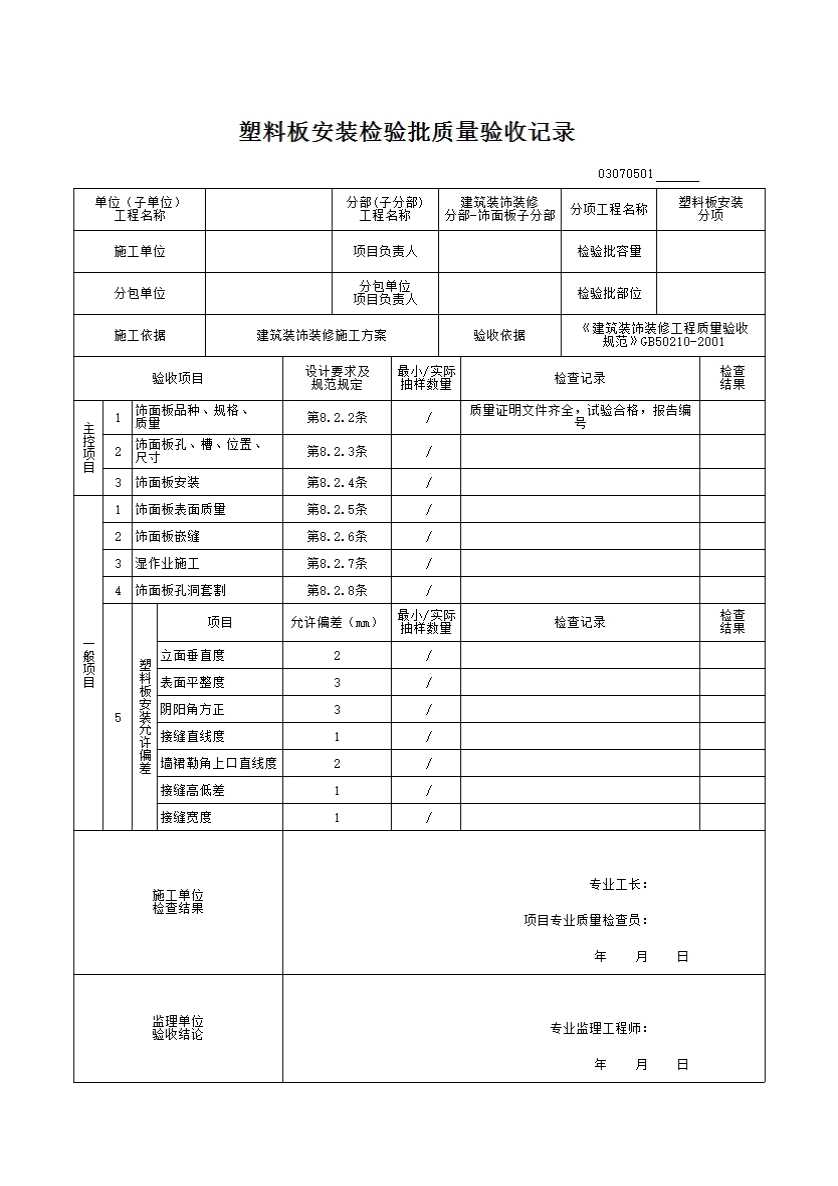
8.2.2 饰面板的品种规格颜色和性能应符合设计要求木龙骨木饰面板和塑料饰面板的燃烧性能等级应符合设计要求。
检验方法:观察检查产品合格证书进场验收记录和性能检测报告。
8.2.3 饰面板孔槽的数量位置和尺寸应符合设计要求。
检验方法:检查进场验收记录和施工记录。
8.2.4 饰面板安装工程的预埋件(或后置埋件) 连接件的数量规格位置连接方法和防腐处理必须符合设计要求后置埋件的现场拉拔强度必须符合设计要求饰面板安装必须牢固。
检验方法:手扳检查检查进场验收记录现场拉拔检测报告隐蔽工程验收记录和施工记录。
三、一般项目
8.2.5 饰面板表面应平整洁净色泽一致无裂痕和缺损石材表面应无泛碱等污染。
检验方法:观察。
8.2.6 饰面板嵌缝应密实平直宽度和深度应符合设计要求嵌填材料色泽应一致。
检验方法:观察尺量检查。
8.2.7 采用湿作业法施工的饰面板工程石材应进行防碱背涂处理饰面板与基体之间的灌注材料应饱满密实。
检验方法:用小锤轻击检查检查施工记录。
8.2.8 饰面板上的孔洞应套割吻合边缘应整齐。
检验方法:观察。
8.2.9 饰面板安装的允许偏差和检验方法应符合表8.2.9 的规定。
表8.2.9 饰面板安装的允许偏差和检验方法
|
项次 |
项目 |
允许偏差 |
检验方法 |
||||||
|
石材 |
瓷板 |
木材 |
塑料 |
金属 |
|||||
|
光面 |
剁斧石 |
蘑菇石 |
|||||||
|
1 |
立面垂直度 |
2 |
3 |
3 |
2 |
1.5 |
2 |
2 |
用2m垂直检测尺检查 |
|
2 |
表面平整度 |
2 |
3 |
- |
1.5 |
1 |
3 |
3 |
用2m靠尺和塞尺检查 |
|
3 |
阴阳角方正 |
2 |
4 |
4 |
2 |
1.5 |
3 |
3 |
用直角检测尺检查 |
|
4 |
接缝直线度 |
2 |
4 |
4 |
2 |
1 |
1 |
1 |
拉5m线,不足5m拉通线,用钢直尺检查 |
|
5 |
墙裙、勒脚上口直线度 |
2 |
3 |
3 |
2 |
2 |
2 |
2 |
拉5m线,不足5m拉通线,用钢直尺检查 |
|
6 |
接缝高低差 |
0.5 |
3 |
- |
0.5 |
0.5 |
1 |
1 |
用钢直尺和塞尺检查 |
|
7 |
接缝宽度 |
1 |
2 |
2 |
1 |
1 |
1 |
1 |
用钢直尺检查 |