上级...

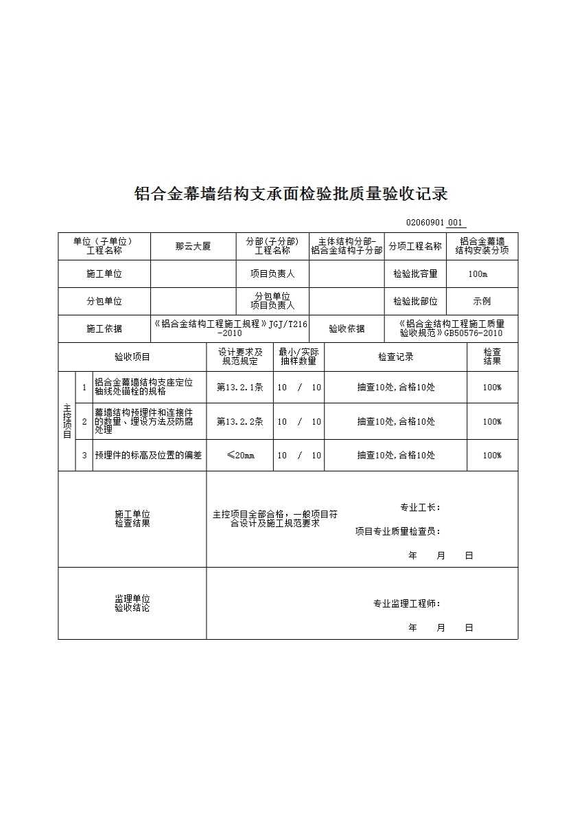
02060901_铝合金幕墙结构支承面检验批质量验收记录

填写规范


铝合金幕墙结构支承面检验批质量验收记录 

本表适用于铝合金幕墙结构支承面工程质量验收。 

一、检验批划分

1 相同设计、材料、工艺和施工条件的幕墙工程每500㎡~1000㎡为一个检验批,不足500㎡应划分为一个检验批。每个检验批每100㎡抽查不应少于1处,每处不应少于10㎡。

2 同一单位工程的不连续的幕墙工程应单独划分检验批。

3 异型或有特殊要求的幕墙检验批的划分,应根据幕墙的结构、工艺特点及幕墙工程规模,由监理单位(或建设单位)和施工单位协商确定。

二、主控项目 

13.2.1 铝合金幕墙结构支座定位轴线处锚栓的规格应符合设计要求。 

检查数量:按支座数抽查10%,且不应少于4 处。 

检验方法:用钢尺实测。 

13.2.2 预埋件和连接件安装质量的检验指标,应符合下列规定: 

1 幕墙结构预埋件和连接件的数量、埋设方法及防腐处理应符合设计要求; 

2 预埋件的标高及位置的偏差不应大于20mm。 

检查数量:按预埋件数抽查10%,且不应少于4处。

检验方法:用经纬仪、水准仪和钢尺实测。 

示例