装配式结构预制构件检验批质量验收记录
一、检验批划分
各分项工程可根据与生产和施工方式相一致且便于控制施工质量的原则,按进场批次、工作班、楼层、结构缝或施工段划分为若干检验批。
二、主控项目
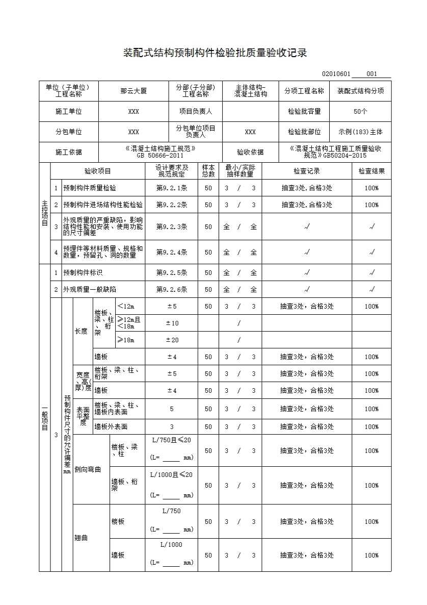
9.2.1 预制构件的质量应符合本规范、国家现行有关标准的规定和设计的要求。
检查数量:全数检查
检验方法:检查质量证明文件或质量验收记录。
9.2.2 专业企业生产的预制构件进场时,预制构件结构性能检验应符合下列规定:
1 梁板类简支受弯预制构件进场时应进行结构性能检验,并应符合下列规定:
1)结构性能检验应符合国家现行有关标准的有关规定及设计的要求,检验要求和试验方法应符合本规范附录B的规定。
2)钢筋混凝土构件和允许出现裂缝的预应力混凝土构件应进行承载力、挠度和裂缝宽度检验;不允许出现裂缝的预应力混凝土构件应进行承载力、挠度和抗裂检验。
3)对大型构件及有可靠应用经验的构件,可只进行裂缝宽度、抗裂和挠度检验。
4)对使用数量较少的构件,当能提供可靠依据时,可不进行结构性能检验。
2 对其他预制构件,除设计有专门要求外,进场时可不做结构性能检验。
3 对进场时不做结构性能检验的预制构件,应采取下列措施:
1)施工单位或监理单位代表应驻厂监督生产过程。
2)当无驻厂监督时,预制构件进场时应对其主要受力钢筋数量、规格、间距、保护层厚度及混凝土强度等进行实体检验。
检查数量:同一类型预制构件不超过1000个为一批,每批随机抽取1个构件进行结构性能检验。
检验方法:检查结构性能检验报告或实体检验报告。
注:“同类型”是指同一钢种、同一混凝土强度等级、同一生产工艺和同一结构形式。抽取预制构件时,宜从设计荷载最大、受力最不利或生产数量最多的预制构件中抽取。
9.2.3 预制构件的外观不应有严重缺陷,且不应有影响结构性能和安装、使用功能的尺寸偏差。
检查数量:全数检查。
检验方法:观察,尺量;检查处理记录。
9.2.4 预制构件上的预埋件、预留插筋、预埋管线等的规格和数量以及预留孔、预留洞的数量应符合设计要求。
检查数量:全数检查。
检验方法:观察。
三、一般项目
9.2.5 预制构件应有标识。
检查数量:全数检查。
检验方法:观察。
9.2.6 预制构件的外观质量不应有一般缺陷。
检查数量:全数检查。
检验方法:观察,检查处理记录。
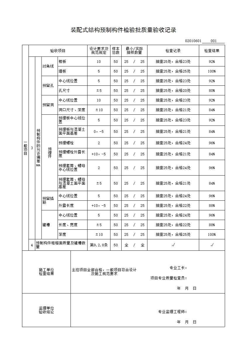
9.2.7 预制构件尺寸偏差及检验方法应符合表9.2.7的规定;设计有专门规定时,尚应符合设计要求。施工过程中临时使用的预埋件,其中心线位置允许偏差可取表9.2.7中规定数值的2倍。
检查数量:同一类型的构件,不超过100个为一批,每批应抽查构件数量的5%,且不应少于3个。
表9.2.7 预制构件尺寸允许偏差及检验方法

注:1 L为构件长度,单位为mm;
2 检查中心线、螺栓和孔道位置偏差时,沿纵、横两个方向量测,并取其中偏差较大值。
9.2.8 预制构件的粗糙面的质量及键槽的数量应符合设计要求。
检查数量:全数检查。
检验方法:观察。