上级...

06110303_空调水系统安装检验批质量验收记录(Ⅲ)(设备)

填写规范


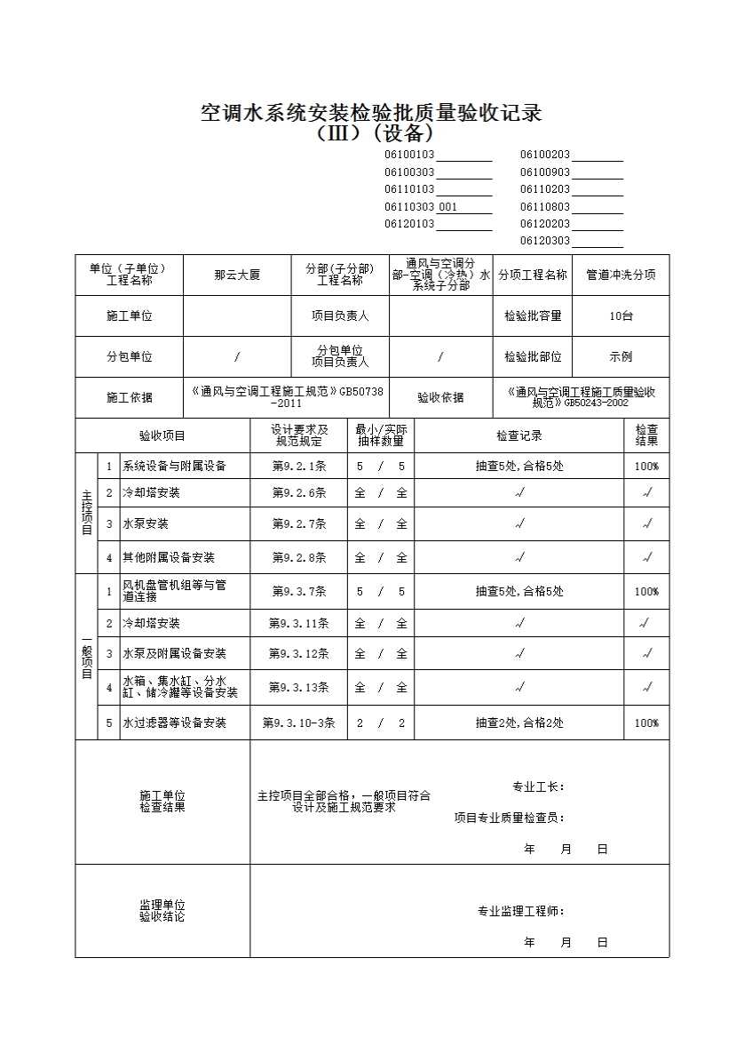
空调水系统安装检验批质量验收记录(Ⅲ)(设备)

一、检验批划分

应按一个设计系统或设备组别划分为一个检验批。

二、主控项目

9.2.1空调工程水系统的设备与附属设备、管道、管配件及阀门的型号、规格、材质及连接形式应符合设计规定。

检查数量:按总数抽查10%,且不得少于5件。

检查方法:观察检查外观质量并检查产品质量证明文件、材料进场验收记录。

9.2.6 冷却塔的型号、规格、技术参数必须符合设计要求。对含有易燃材料冷却塔的安装,必须严格执行施工防火安全的规定。

检查数量全数检查。

检查方法:按图纸核对,监督执行防火规定。

9.2.7 水泵的规格、型号、技术参数应符合设计要求和产品性能指标。水泵正常连续试运行的时间,不应少于2h。

检查数量:全数检查。

检查方法:按图纸核对,实测或查阅水泵试运行记录。

9.2.8 水箱、集水缸、分水缸、储冷罐的满水试验或水压试验必须符合设计要求。储冷罐内壁防腐涂层的材质、涂抹质量、厚度必须符合设计或产品技术文件要求,储冷罐与底座必须进行绝热处理。

检查数量:全数检查。

检查方法:尺量、观察检查,查阅试验记录。

三、一般项目

9.3.7 风机盘管机组及其他空调设备与管道的连接,宜采用弹性接管或软接管(金属或非金属软管),其耐压值应大于等于1.5倍的工作压力。软管的连接应牢固、不应有强扭和瘪管。

检查数量:按总数抽查10%,且不得少于5处。

检查方法:观察、查阅产品合格证明文件。

9.3.10 阀门、集气罐、自动排气装置、除污器(水过滤器)等管道部件的安装应符合设计要求,并应符合下列规定:

1 阀门安装的位置、进出口方向应正确,并便于操作;连接应牢固紧密,启闭灵活;成排阀门的排列应整齐美观,在同一平面上的允许偏差为3mm;

2 电动、气动等自控阀门在安装前应进行单体的调试,包括开启、关闭等动作试验;

3 冷冻水和冷却水的除污器(水过滤器)应安装在进机组前的管道上,方向正确且便于清污;与管道连接牢固、严密,其安装位置应便于滤网的拆装和清洗。过滤器滤网的材质、规格和包扎方法应符合设计要求;

4 闭式系统管路应在系统最高处及所有可能积聚空气的高点设置排气阀,在管路最低点应设置排水管及排水阀。

检查数量:按规格、型号抽查10%,且不得少于2个。

检查方法:对照设计文件尺量、观察和操作检查。

9.3.11 冷却塔安装应符合下列规定:

1 基础标高应符合设计的规定,允许误差为±20mm。冷却塔地脚螺栓与预埋件的连接或固定应牢固,各连接部件应采用热镀锌或不锈钢螺栓,其紧固力应一致、均匀;

2 冷却塔安装应水平,单台冷却塔安装水平度和垂直度允许偏差均为2/1000。同一冷却水系统的多台冷却塔安装时,各台冷却塔的水面高度应一致,高差不应大于30mm;

3 冷却塔的出水口及喷嘴的方向和位置应正确,积水盘应严密无渗漏;分水器布水均匀。带转动布水器的冷却塔,其转动部分应灵活,喷水出口按设计或产品要求,方向应一致;

4 冷却塔风机叶片端部与塔体四周的径向间隙应均匀。对于可调整角度的叶片,角度应一致。

检查数量:全数检查。检查方法:尺量、观察检查,积水盘做充水试验或查阅试验记录。

9.3.12 水泵及附属设备的安装应符合下列规定:

1 水泵的平面位置和标高允许偏差为±10mm,安装的地脚螺栓应垂直、拧紧,且与设备底座接触紧密;

2 垫铁组放置位置正确、平稳,接触紧密,每组不超过3块;

3 整体安装的泵,纵向水平偏差不应大于0.1/1000,横向水平偏差不应大于0.20/1000;解体安装的泵纵、横向安装水平偏差均不应大于0.05/1000;水泵与电机采用联轴器连接时,联轴器两轴芯的允许偏差,轴向倾斜不应大于0.2/1000,径向位移不应大于0.05mm;小型整体安装的管道水泵不应有明显偏斜。

4 减震器与水泵及水泵基础连接牢固、平稳、接触紧密。

检查数量:全数检查。

检查方法:扳手试拧、观察检查,用水平仪和塞尺测量或查阅设备安装记录。

9.3.13 水箱、集水器、分水器、储冷罐等设备的安装,支架或底座的尺寸、位置符合设计要求。设备与支架或底座接触紧密,安装平正、牢固。平面位置允许偏差为15mm,标高允许偏差为±5mm,垂直度允许偏差为1/1000。膨胀水箱安装的位置及接管的连接,应符合设计文件的要求。

检查数量:全数检查。

检查方法:尺量、观察检查,旁站或查阅试验记录。

示例