室内供暖系统绝热检验批质量验收记录
一、检验批划分
按设计系统、楼层、施工段或分部分项划为检验批。
二、一般项目
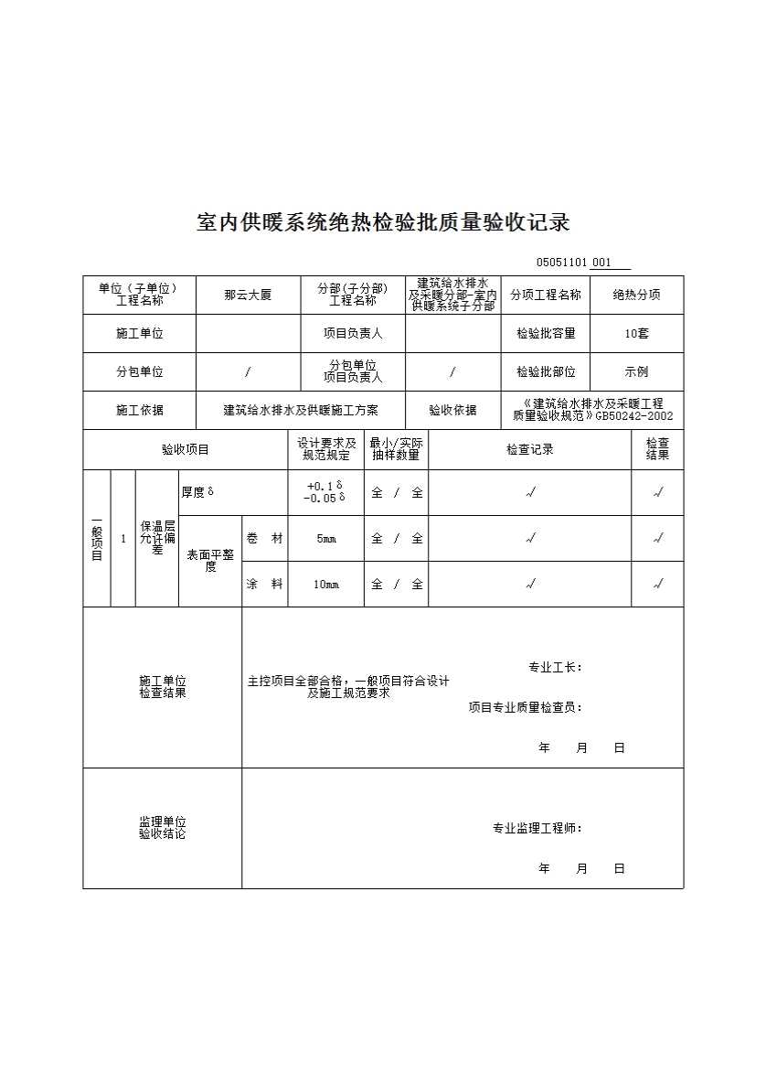
4.4.8 管道及设备保温层的厚度和平整度的允许偏差应符合表4.4.8的规定。
表4.4.8 管道及设备保温的允许偏差和检验方法
|
项次 |
项 目 |
允许偏差 (mm) |
检验方法 |
|
|
1 |
厚 度 |
十0.1δ 一0.05δ |
用钢针刺入 |
|
|
2 |
表 面 |
卷 材 |
5 |
用2m靠尺和楔形塞尺检查 |
|
平整度 |
涂 抹 |
10 |
||
注:δ为保温层厚度。