|
云上资料软件
登录
/
注册
免费注册
登录
首页
软件下载
购买
首页
资料软件
(下载)
云上资料软件
(下载)
在线表格
求职招聘
服务平台
那云知道
当前位置:
表格库
>
吉林
>
电力电网
>
(2022更新)输变电工程建设标准强制性条文实施管理规程(QGDW 10248)
>
第六部分 输电线路工程设计
>
3 架空输电线路工程执行强制性条文
>
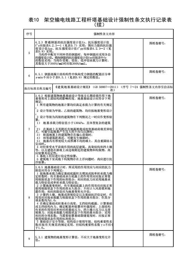
表10 架空输电线路工程杆塔基础设计强制性条文执行记录表
上级...
表10 架空输电线路工程杆塔基础设计强制性条文执行记录表
表格
下载表格
点击领取首张表格excel
点击查看大图
点击查看大图
点击查看大图
点击查看大图
点击查看大图
点击查看大图
点击查看大图
点击查看大图
点击查看大图
点击查看大图
点击查看大图
下载表格
点击领取首张表格excel
×
下载表格
表格名称:表10 架空输电线路工程杆塔基础设计强制性条文执行记录表
所需N币:
N币
(我有
)N币)
您的N币不足,请先充值。
充值N币
充值N币
下载
取消
×
分享页面
QQ分享
空间分享
微信分享
微博分享