上级...

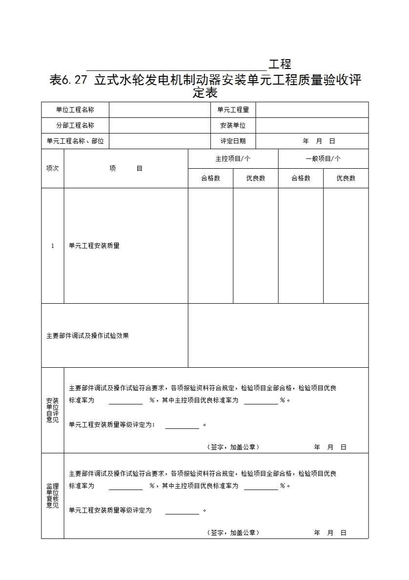
表6.27 立式水轮发电机制动器安装单元工程质量验收评定表

填写规范


表6.27 立式水轮发电机制动器安装单元工程质量验收评定表(含质量检查表)填表要求

  填表时必须遵守“填表基本规定”,并应符合下列要求:
  1.单元工程划分:每台发电机的制动器安装宜划分为一个单元工程。
  2.单元工程量:填写本单元制动器安装量(t)。
  3.各检验项目的检验方法及检验数量按表F-32的要求执行。

  4.单元工程施工质量验收评定应提交下列资料:
    (1)安装单位应提供的资料包括:清扫检验记录表、安装检验记录和调整试验记录,并由责任人签认。
    (2)监理单位对单元工程安装质量的平行检验资料;监理工程师签署质量复核意见的单元工程安装质量验收评定表及质量检查表。
  5.表中数值为允许偏差值。