上级...

02010301_现浇钢筋混凝土构筑物检验批质量验收记录

填写规范


主控项目

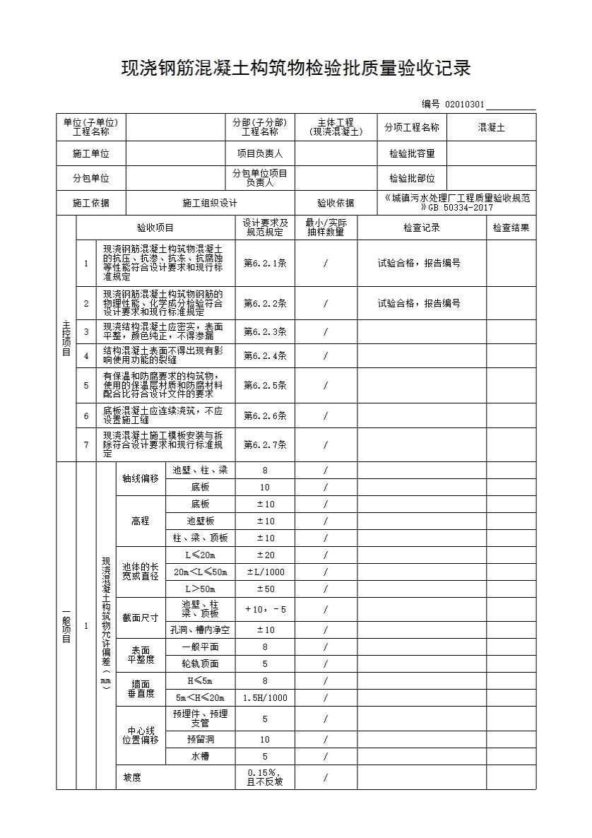
621 现浇钢筋混凝土构筑物混凝土的抗压、抗渗、抗冻、抗腐蚀等性能应符合设计文件的要求和现行国家标准《混凝土结构工程施工质量验收规范》GB 50204、《混凝土质量控制标准》GB 50164和《普通混凝土长期性能和耐久性能试验方法标准》GBT 50082的有关规定。
    检验方法:检查施工记录、试验报告。

622 现浇钢筋混凝土构筑物钢筋的物理性能、化学成分检验应符合国家现行标准《混凝土结构工程施工质量验收规范》GB 50204、《钢筋混凝土用钢》GB 1499114993和《混凝土中钢筋检测技术规程》JGJT 152的有关规定。
    检验方法:检查产品合格证,检查施工记录、试验报告。

623 现浇结构混凝土应密实,表面平整,颜色纯正,不得渗漏,具体结构工艺部位应符合下列规定:
    1 施工缝的位置应符合设计文件和施工方案规定,混凝土结合处应紧密、平顺;
    2 混凝土结构预留孔、洞应规整、表面平滑;
    3 预埋件和穿墙管、件应与混凝土结合紧密、顺直、安装牢固;
    4 变形缝、止水带应贯通,缝宽窄均匀一致,止水带安装应稳固,位置应符合设计文件的要求;
    5 现浇混凝土结构表面的对拉螺栓、对拉螺栓孔、变形缝、施工缝等处应修饰牢固、平顺整齐、颜色均匀。
    检验方法:观察检查,检查施工记录、试验报告。

624 结构混凝土表面不得出现有影响使用功能的裂缝。
    检验方法:观察检查,检查检测报告。

625 有保温和防腐要求的构筑物,使用的保温层材质和防腐材料配合比应符合设计文件的要求。
    检验方法:观察检查,检查材质合格证及配合比报告。

626 底板混凝土应连续浇筑,不应设置施工缝。
    检验方法:观察检查,检查施工记录。

627 现浇混凝土施工模板安装与拆除应符合设计要求和现行国家标准《混凝土结构工程施工质量验收规范》GB 50204的有关规定。
    检验方法:观察检查,检查施工记录。

一般项目

628 现浇混凝土构筑物允许偏差和检验方法应符合表628的规定。

629 构筑物混凝土保护层厚度应符合设计文件的要求,允许偏差应为0mm~+8mm
    检验方法:实测实量,检查施工记录。

6210 钢筋和预应力钢筋的规格、形状、数量、间距、锚固长度、接头设置应符合设计文件的要求和现行国家标准《混凝土结构工程施工质量验收规范》GB 50204和《给水排水构筑物工程施工及验收规范》GB 50141的有关规定。
    检验方法:尺量检查,检查施工记录。

6.2.8 现浇混凝土构筑物允许偏差和检验方法

序号

项目

允许偏差(mm

检验方法

检测数量

范围

点数

1

轴线偏移

池壁、柱、梁

8

全站仪检查

每座池

横、纵各1点

底板

10

全站仪检查

横、纵各1点

2

高程

底板

±10

水准仪检查

5点

池壁板

±10

柱、梁、顶板

±10

3

池体的长

宽或直径

L≤20m

±20

激光水平扫描仪、线坠

与钢尺检查

长、宽或

直径各2点

20m<L≤50m

±L/1000

L>50m

±50

4

截面尺寸

池壁、柱

梁、顶板

+10,-5

2m直尺检查

5点

孔洞、槽内净空

±10

水准仪检查

5

表面

平整度

一般平面

8

2m直尺检查

轮轨顶面

5

水准仪检查

6

墙面

垂直度

H≤5m

8

线坠与直尺

检查

每侧面

5点

5m<H≤20m

1.5H/1000

7

中心线

位置偏移

预埋件、预埋

支管

5

钢尺检查

纵、横

各1点

预留洞

10

经纬仪检查

水槽

5

8

坡度

0.15%,

且不反坡

水准仪检查

5点

注:L为池体的长、宽或直径,H为池壁高度。

6.2.11 构筑物内壁防腐涂料基面应洁净、干燥,湿度应小于85%,涂层不应出现脱皮、漏刷、流坠、皱皮、厚度不均、表面不光滑等现象。
    检验方法:观察检查,超声波等仪器探测。

6.2.12 板状保温材料板块上下层接缝应错开,接缝处嵌料应密实、平整,保温层厚度的允许偏差应符合表6.2.12的规定。

6.2.12 保温层厚度允许偏差

序号

项目

允许偏差(mm

检验方法

检测数量

范围

点数

1

保温层厚度

 板状制品

±5%δ,

且≤4

钢针刺入和

钢尺检查

每平方米

1点

化学材料

+8%δ

加气混凝土

+5

蛭石

+5

 注:表中δ为设计的保温层厚度。

6.2.13 现浇整体保温层铺料厚度应均匀、密实、平整。
    检验方法:观察检查,检查施工记录。