上级...

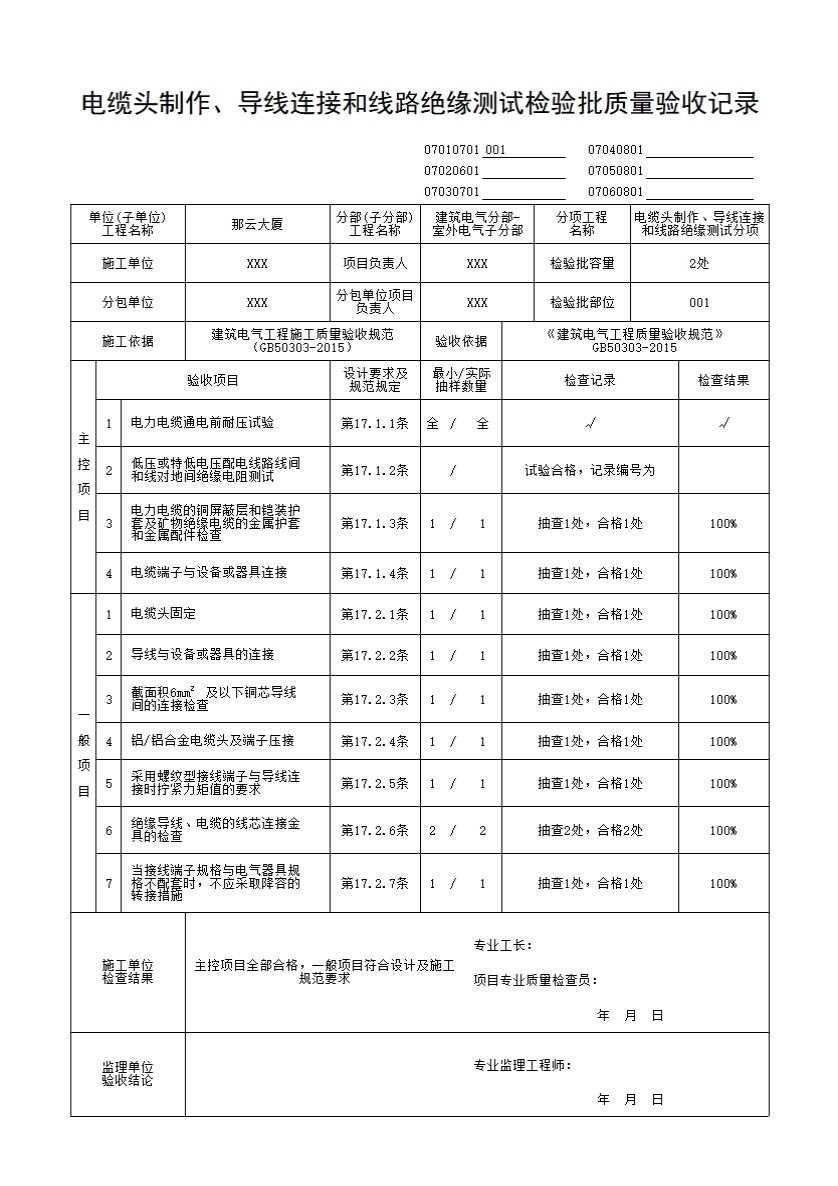
07010701 电缆头制作、导线连接和线路绝缘测试检验批质量验收记录

填写规范


电缆头制作、导线连接和线路绝缘测试检验批质量验收记录 

一、检验批划分按施工段、变形缝划分;对于工程量较少的分项工程可统一划分为一个验收批。

17.1 主控项目

17.1.1 电力电缆通电前应按现行国家标准《电气装置安装工程电气设备交接试验标准》GB 50150的规定进行耐压试验,并应合格。

检查数量:全数检查。

检查方法:试验时观察检查并查阅交接试验记录。

17.1.2 低压或特低电压配电线路线间和线对地间的绝缘电阻测试电压及绝缘电阻值不应小于表17. 1. 2的规定,矿物绝缘电缆线间和线对地间的绝缘电阻应符合国家现行有关产品标准的规定。

17.1. 2低压或特低电压配电线路绝缘电阻测试电压及绝缘电阻最小值

标称回路电压(V)

直流测试电压(V)

绝缘电阻(MΩ)

SELV和PELV

250

0.5

500 V及以下,包括FELV

500

0.5

500 V以上

1000

1.0

检查数量:按每检验批的线路数量抽查20%,且不得少于1条线路,并应覆盖不同型号的电缆或电线。

检查方法:用绝缘电阻测试仪测试并查阅绝缘电阻测试记录。

17.1.3 电力电缆的铜屏蔽层和铠装护套及矿物绝缘电缆的金属护套和金属配件应采用铜绞线或镀锡铜编织线与保护导体做连接,其连接导体的截面积不应小于表17. 1. 3的规定。当铜屏蔽层和铠装护套及矿物绝缘电缆的金属护套和金属配件作保护导体时,其连接导体的截面积应符合设计要求。

17. 1. 3电缆终端保护联结导体的截面(mm2 )

电缆相导体截面积

保护联结导体截面积

≤16

与电缆导体截面相同

>16,且≤120

16

≥150

25

检查数量:按每检验批的电缆线路数量抽查20%,且不得少于1条电缆线路并应覆盖不同型号的电缆。

检查方法:观察检查。

17.1.4 电缆端子与设备或器具连接应符合本规范第10. 1. 3条和第10. 2. 2条的规定。

检查数量:按每检验批的电缆线路数量抽查20%,且不得少于1条电缆线路。

检查方法:观察检查并用力矩测试仪测试紧固度。

17.2 一般项目

17.2.1 电缆头应可靠固定,不应使电器元器件或设备端子承受额外应力。

检查数量:按每检验批的电缆线路数量抽查20%,且不得少于1条电缆线路。

检查方法:观察检查。

17.2.2 导线与设备或器具的连接应符合下列规定:

1 截面积在10 mm2 及以下的单股铜芯线和单股铝/铝合金芯线可直接与设备或器具的端子连接。

2 截面积在2. 5 mm2及以下的多芯铜芯线应接续端子或拧紧搪锡后再与设备或器具的端子连接。

3 截面积大于2. 5mm2的多芯铜芯线,除设备自带插接式端子外,应接续端子后与设备或器具的端子连接;多芯铜芯线与插接式端子连接前,端部应拧紧搪锡。

4 多芯铝芯线应接续端子后与设备、器具的端子连接,多芯铝芯线接续端子前应去除氧化层并涂抗氧化剂,连接完成后应清洁干净。

5 每个设备或器具的端子接线不多于2根导线或2个导线端子。

检查数量:按每检验批的配线回路数量抽查5%,且不得少于1条配线回路,并应覆盖不同型号和规格的导线。

检查方法:观察检查。

17.2.3 截面积6 mm2及以下铜芯导线间的连接应采用导线连接器或缠绕搪锡连接,并应符合下列规定:

1 导线连接器应符合现行国家标准《家用和类似用途低压电路用的连接器件》GB 13140的相关规定,并应符合下列规定:

1)导线连接器应与导线截面相匹配;

2)单芯导线与多芯软导线连接时,多芯软导线宜搪锡处理;

3)与导线连接后不应明露线芯;

4)采用机械压紧方式制作导线接头时,应使用确保压接力的专用工具 

5)多尘场所的导线连接应选用IP5X及以上的防护等级连接器;潮湿场所的导线连接应选用IPX5及以上的防护等级连接器。

2 导线采用缠绕搪锡连接时,连接头缠绕搪锡后应采取可靠绝缘措施。

检查数量:按每检验批的线间连接总数抽查5%,且各不得少于1个型号及规格的导线,并应覆盖其连接方式。

检查方法:观察检查。

17.2.4 /铝合金电缆头及端子压接应符合下列规定:

1 /铝合金电缆的联锁铠装不应作为保护接地导体(PE)使用,联锁铠装应与保护接地导体(PE)连接;

2 线芯压接面应去除氧化层并涂抗氧化剂,压接完成后应清洁表面

3 线芯压接工具及模具应与附件相匹配。

检查数量:按每个检验批电缆头数量抽查20%,且不得少于1个。

检查方法:观察检查。

17.2.5 当采用螺纹型接线端子与导线连接时,其拧紧力矩值应符合产品技术文件的要求,当无要求时,应符合本规范附录H的规定。

检查数量:按每检验批的螺纹型接线端子的数量抽查10%且不得少于1个端子,并应覆盖不同的导线。

检查方法:核对产品技术文件,观察检查并用力矩测试仪测试紧固度。

17.2.6 绝缘导线、电缆的线芯连接金具(连接管和端子),其规格应与线芯的规格适配,且不得采用开口端子,其性能应符合国家现行有关产品标准的规定。

检查数量:按每检验批的线芯连接数量抽查10%,且不得少于2个连接点。

检查方法:观察检查,并查验材料合格证明文件和材料进场验收记录。

17.2.7 当接线端子规格与电气器具规格不配套时,不应采取降容的转接措施。

检查数量:按每个检验批的不同接线端子规格的总数量抽查20%,且各不得少于1个。

检查方法:观察检查。

示例