|
云上资料软件
登录
/
注册
免费注册
登录
首页
软件下载
购买
首页
资料软件
(下载)
云上资料软件
(下载)
在线表格
求职招聘
服务平台
那云知道
当前位置:
表格库
>
江西
>
电力电网
>
《电力建设施工质量验收及评价规程》DLT 5210系列
>
《电力建设施工质量验收规程 第3部分:汽轮发电机组》DLT 5210.3-2018
>
10 辅助设备安装
>
10.2 水冷凝汽器组合安装
>
10.2 水冷凝汽器组合安装
>
凝汽器清洗装置安装
>
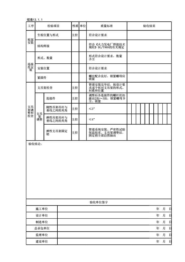
表13.1.1 凝汽器清洗管道支吊架安装检验批施工质量验收表
上级...
表13.1.1 凝汽器清洗管道支吊架安装检验批施工质量验收表
表格
下载表格
点击领取首张表格excel
点击查看大图
点击查看大图
下载表格
点击领取首张表格excel
×
下载表格
表格名称:表13.1.1 凝汽器清洗管道支吊架安装检验批施工质量验收表
所需N币:
N币
(我有
)N币)
您的N币不足,请先充值。
充值N币
充值N币
下载
取消
×
分享页面
QQ分享
空间分享
微信分享
微博分享