|
云上资料软件
登录
/
注册
免费注册
登录
首页
软件下载
购买
首页
资料软件
(下载)
云上资料软件
(下载)
在线表格
求职招聘
服务平台
那云知道
当前位置:
表格库
>
江苏
>
水运
>
浙江省水运工程施工统一用表
>
二 检验评定用表
>
9 房建工程
>
第六节 建筑电气工程质量验收用表
>
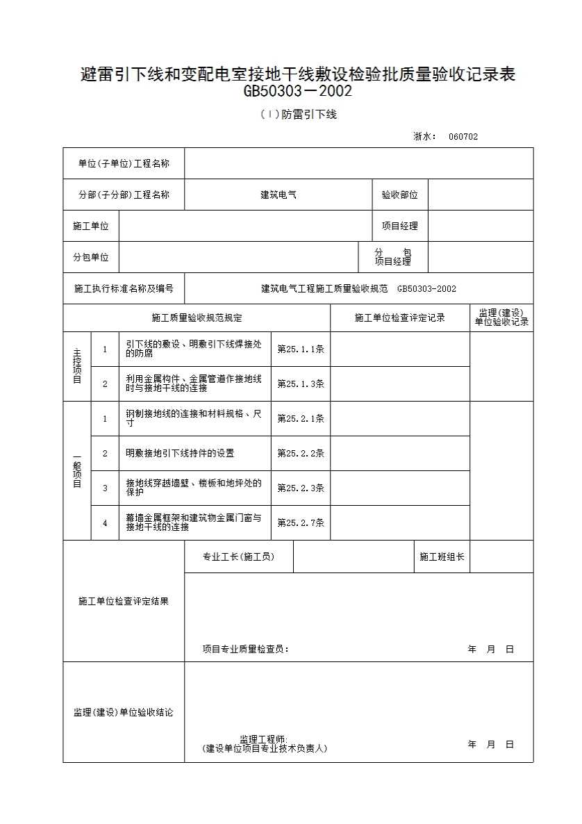
208 避雷引下线和变配电室接地干线敷设检验批质量验收记录表(I)防雷引下线
上级...
208 避雷引下线和变配电室接地干线敷设检验批质量验收记录表(I)防雷引下线
表格
下载表格
点击领取首张表格excel
点击查看大图
下载表格
点击领取首张表格excel
×
下载表格
表格名称:208 避雷引下线和变配电室接地干线敷设检验批质量验收记录表(I)防雷引下线
所需N币:
N币
(我有
)N币)
您的N币不足,请先充值。
充值N币
充值N币
下载
取消
×
分享页面
QQ分享
空间分享
微信分享
微博分享