|
云上资料软件
登录
/
注册
免费注册
登录
首页
软件下载
购买
首页
资料软件
(下载)
云上资料软件
(下载)
在线表格
求职招聘
服务平台
那云知道
当前位置:
表格库
>
江苏
>
水利
>
江苏水利水电工程施工质量检验与评定标准(2013)
>
江苏省水利工程施工质量检验与评定规范(DB32/T 2334.1-2013)
>
第2部分:建筑工程
>
附录B 工序质量评定表
>
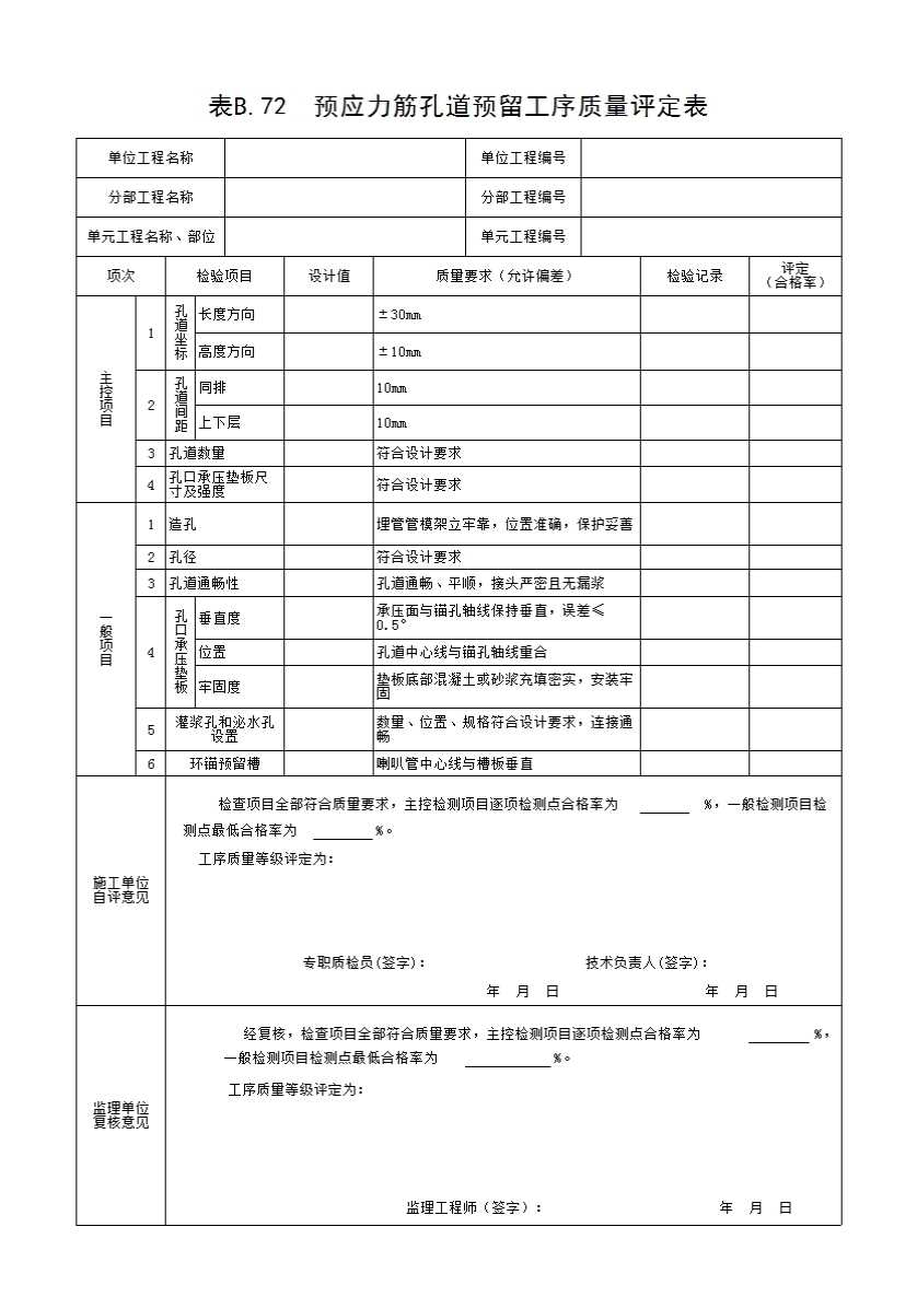
表B.72 预应力筋孔道预留工序质量评定表
上级...
表B.72 预应力筋孔道预留工序质量评定表
表格
下载表格
点击领取首张表格excel
点击查看大图
下载表格
点击领取首张表格excel
×
下载表格
表格名称:表B.72 预应力筋孔道预留工序质量评定表
所需N币:
N币
(我有
)N币)
您的N币不足,请先充值。
充值N币
充值N币
下载
取消
×
分享页面
QQ分享
空间分享
微信分享
微博分享