上级...

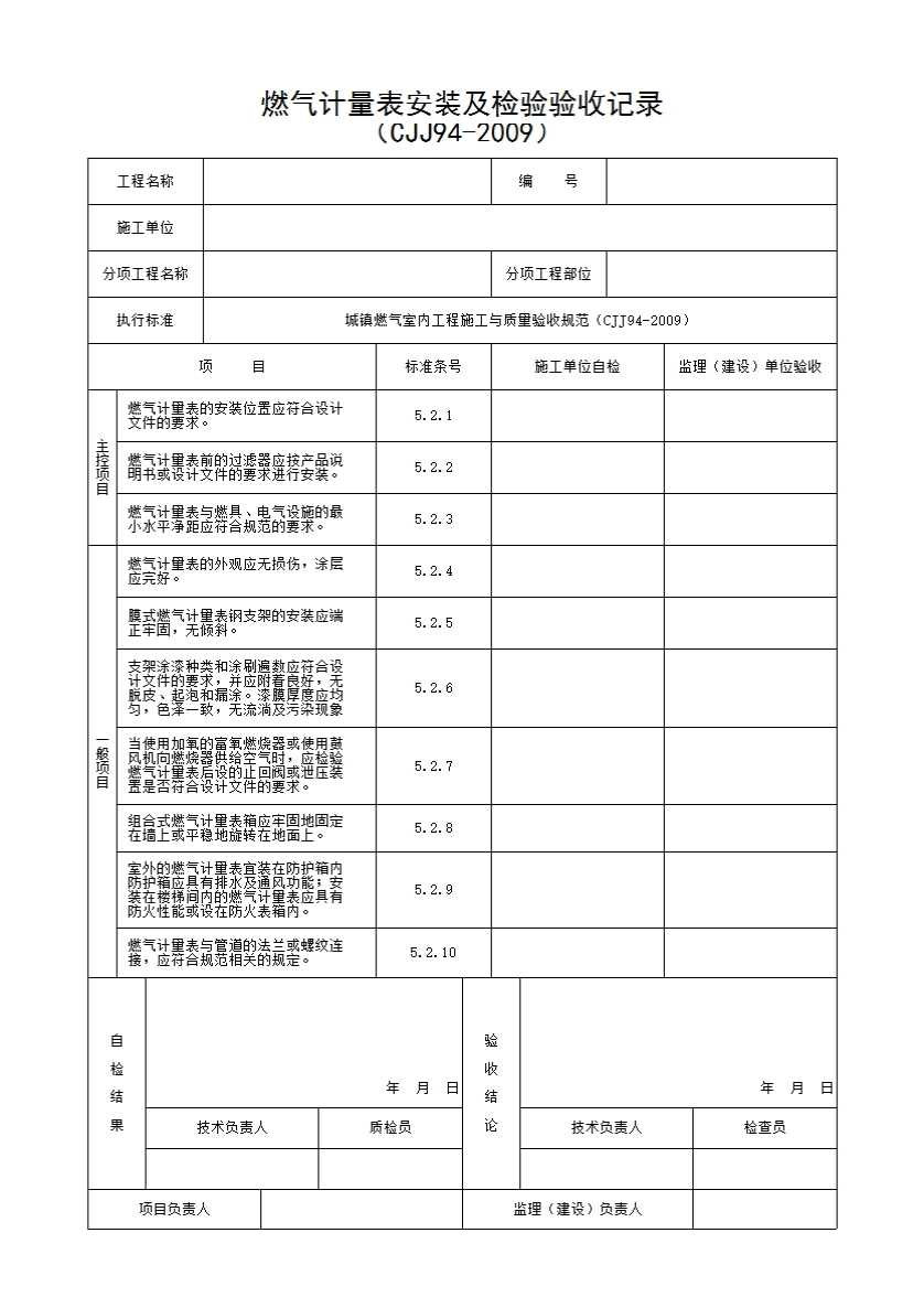
燃气计量表安装及检验验收记录

填写规范


主控项目

5.2.1 燃气计量表的安装位置应符合设计文件的要求。
    检查方法:目视检查和查阅设计文件。

5.2.2 燃气计量表前的过滤器应按产品说明书或设计文件的要求进行安装。
    检查数量:100%。
    检查方法:目视检查、查阅设计文件和产品说明书。

5.2.3 燃气计量表与燃具、电气设施的最小水平净距应符合表5.2.3的要求。

5.2.3 燃气计量表与燃具、电气设施之间的最小水平净距(cm)

名称

与燃气计量表的最小水平净距

相邻管道、燃气管道

便于安装、检查及维修

家用燃气灶具

30 (表高位安装时)

热水器

30

电压小于1000V的裸露电线

100

配电盘、配电箱或电表

50

电源插座、电源开关

20

燃气计量表

便于安装、检查及维修

 检查数量:100%。
    检查方法:目视检查、测量。

一般项目

5.2.4 燃气计量表的外观应无损伤,涂层应完好。
    检查数量:100%。
    检查方法:目视检查。

5.2.5 膜式燃气计量表钢支架的安装应端正牢固,无倾斜。
    检查数量:抽查20%,并不应少于1个。
    检查方法:目视检查、手检。

5.2.6 支架涂漆种类和涂刷遍数应符合设计文件的要求,并应附着良好,无脱皮、起泡和漏涂。漆膜厚度应均匀,色泽一致,无流淌及污染现象。
    检查数量:抽查20%,并不应少于1个。
    检查方法:目视检查和查阅设计文件。

5.2.7 当使用加氧的富氧燃烧器或使用鼓风机向燃烧器供给空气时,应检验燃气计量表后设的止回阀或泄压装置是否符合设计文件的要求。
    检查数量:100%。
    检查方法:目视检查和查阅设计文件。

5.2.8 组合式燃气计量表箱应牢固地固定在墙上或平稳地放置在地面上。
    检查数量:100%。
    检查方法:目视检查。

5.2.9 室外的燃气计量表宜装在防护箱内,防护箱应具有排水及通风功能;安装在楼梯间内的燃气计量表应具有防火性能或设在防火表箱内。
    检查数量:100%。
    检查方法:目视检查。

5.2.10 燃气计量表与管道的法兰或螺纹连接,应符合本规范第4.3.18条或第4.3.19条的规定。
    检查数量:家用燃气计量表抽查20%,商业和工业企业用燃气计量表100%检查。
    检查方法:目视检查。